Curiosii for ever!: Car repair manuals for everyone.

System Diagram

ENGINE UNIT REPLACEMENT W/ RELATED COMPONENTS

Various Engine Related Components:





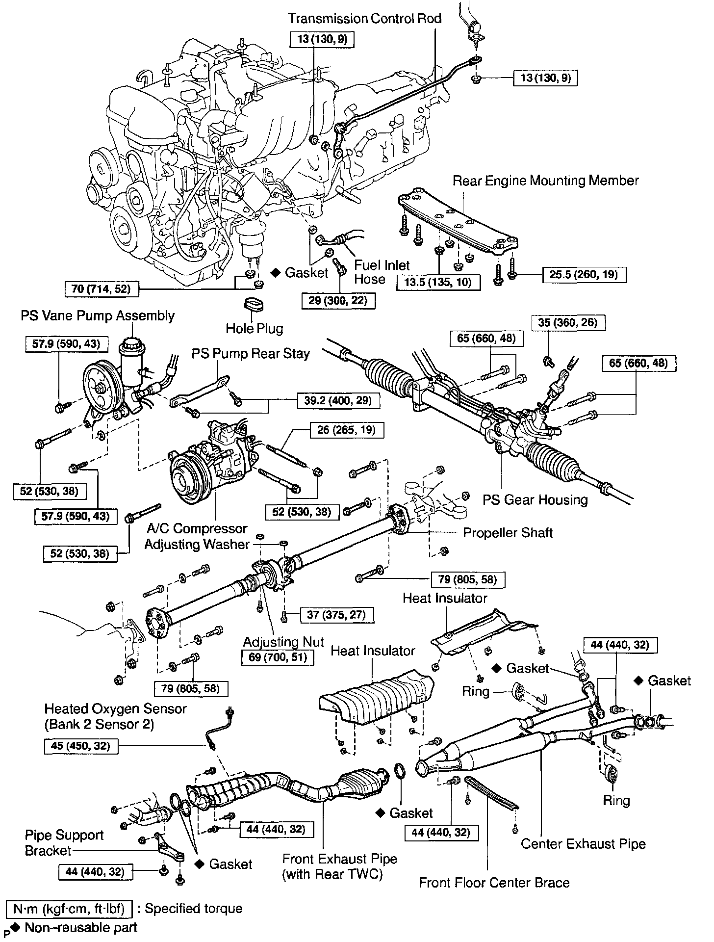
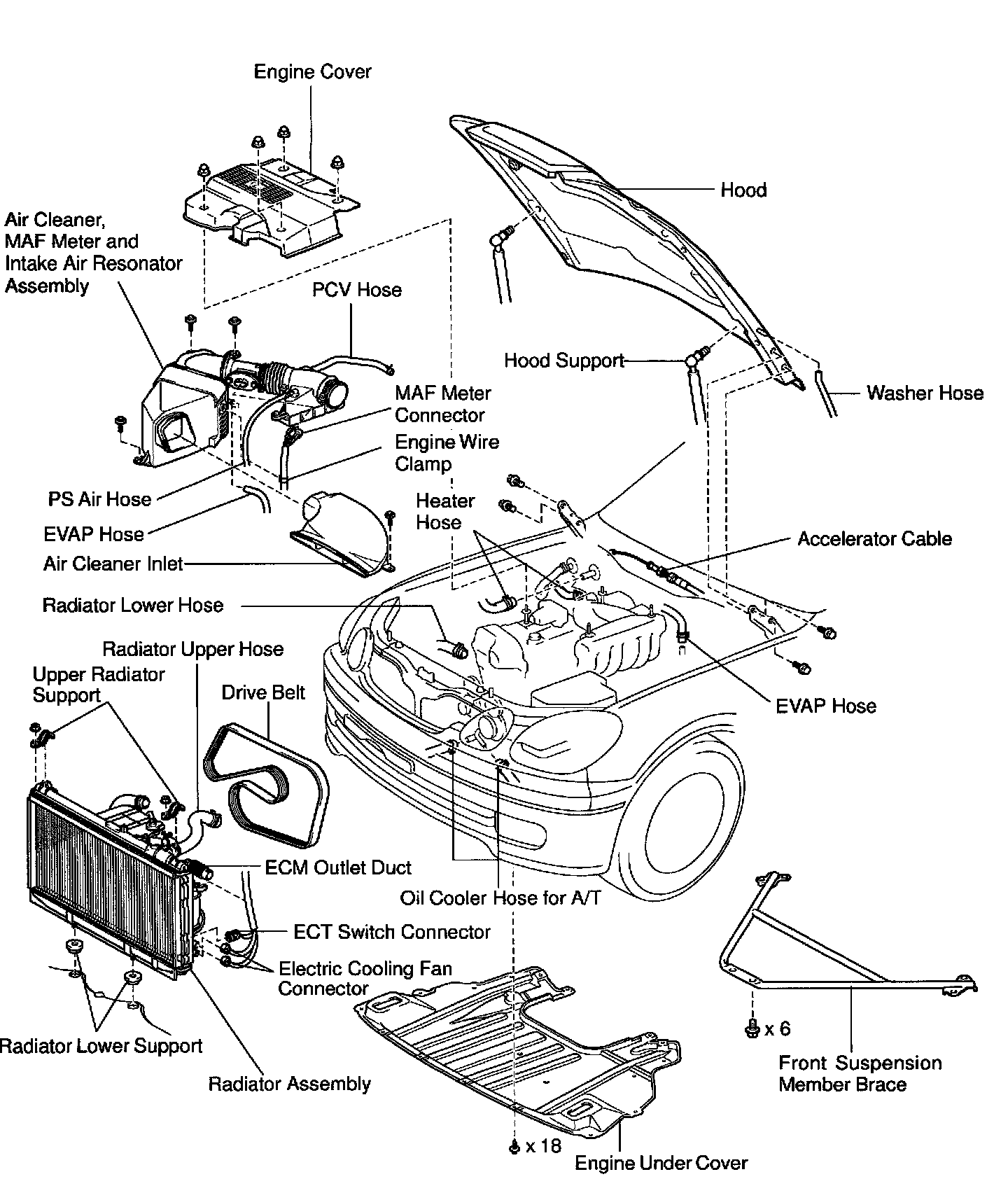
Part 1 of 3

FRT And Center Exhaust Pipes, A/C Comp., P/S Pump, Steering Rack:





Part 2 of 3

Engine, Transmission, Exh. Manifold, Flex Plate, Various Connectors:





Part 3 of 3