Curiosii for ever!: Car repair manuals for everyone.

Cylinder Head Assembly

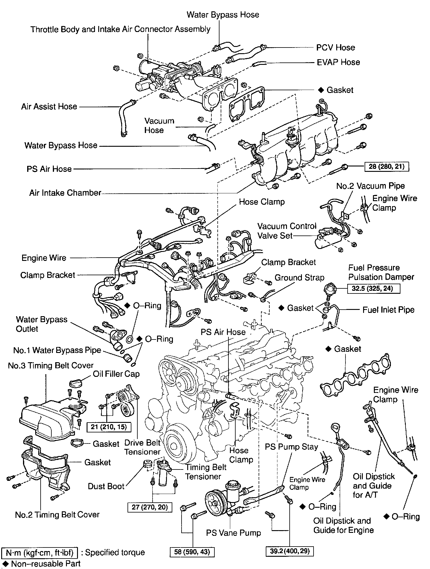
CYLINDER HEAD REPLACEMENT AND OVERHAUL W/ RELATED COMPONENTS

Air Cleaner Assb., Exh. Manifold, Various Components:





Part 1 of 4

Throttle Body, Int. Plenum, Fuel Injection Wiring Harness:





Part 2 of 4

Cylinder Head And Related Components, Int. Manifold, IGN Coils:





Part 3 of 4

Valve Assemblies:





Part 4 of 4