Curiosii for ever!
: Car repair manuals for everyone.
Home
>>
Lexus
>>
2000
>>
GS 300 L6-3.0L (2JZ-GE)
>>
Repair and Diagnosis
>>
Diagrams
>>
Exploded Views
>>
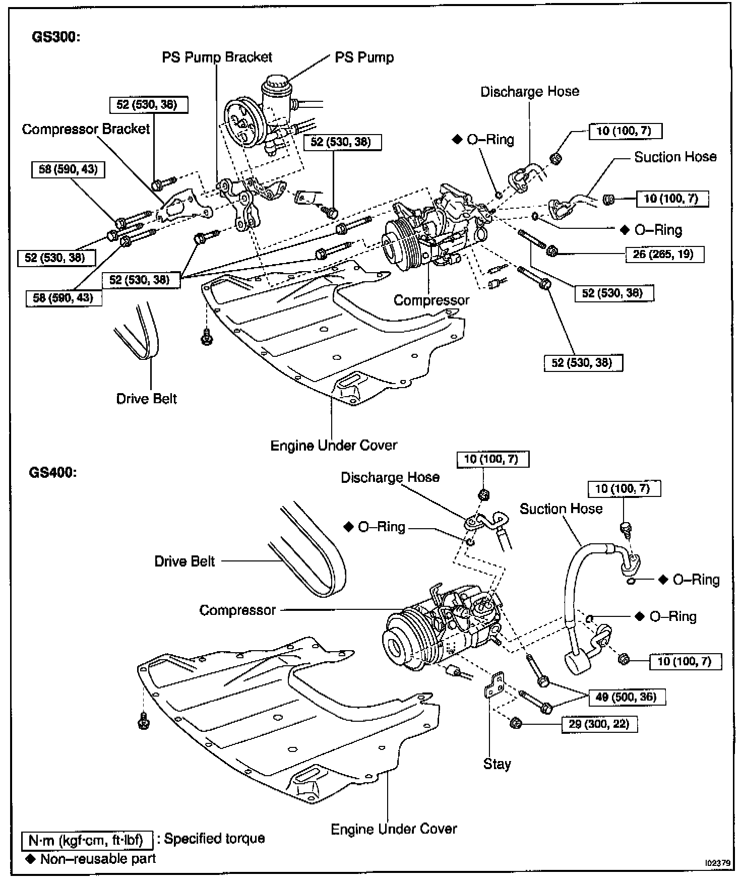
Compressor HVAC
Compressor HVAC