Curiosii for ever!
: Car repair manuals for everyone.
Home
>>
Lexus
>>
2000
>>
GS 300 L6-3.0L (2JZ-GE)
>>
Repair and Diagnosis
>>
Body and Frame
>>
Body Control Systems
>>
Body Control Module
>>
Testing and Inspection
>>
Component Tests and General Diagnostics
>>
Clock Circuit
Clock Circuit
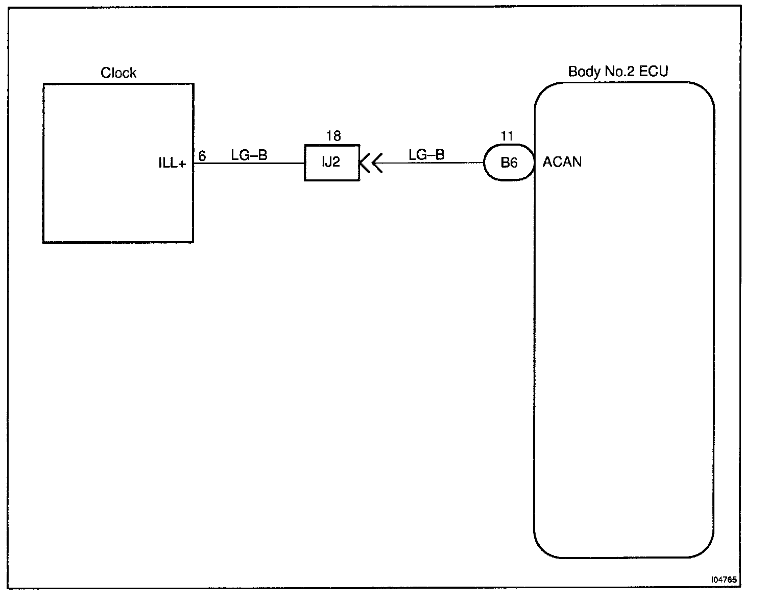
Clock Circuit / Body No.2 ECU
CIRCUIT DESCRIPTION
Body No.2 ECU will send the light deterioration signal to the clock and deteriorate the light.
Wiring Diagram:
Steps 1 - 3:
INSPECTION PROCEDURE