Curiosii for ever!: Car repair manuals for everyone.

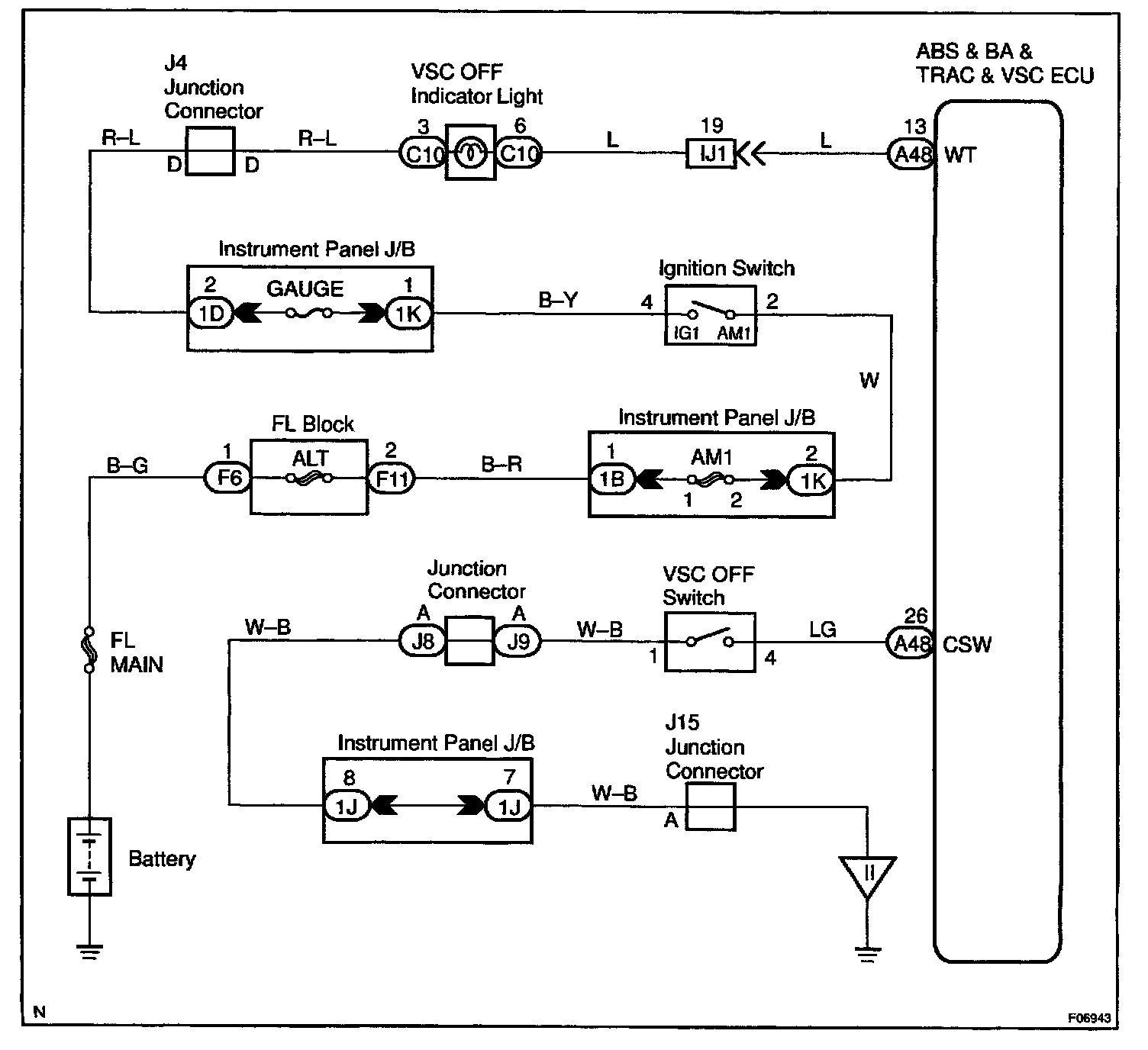
VSC Off Indicator Light, VSC Off Switch Circuit

CIRCUIT DESCRIPTION
This is the TRAC & VSC control main switch. When the VSC OFF switch is pushed, TRAC & VSC control is not activated and VSC OFF indicator light lights up. When the switch is pressed again,VSC OFF indicator light goes off, and the control is actuated. Turn the ignition switch OFF, TRAC & VSC control surely comes on when the ignition switch turns ON next time.




WIRING DIAGRAM
















INSPECTION PROCEDURE

HINT: Start the inspection from step 1 in case of using the LEXUS hand-held tester and start from step 2 in case of not using the LEXUS hand-held tester.