Curiosii for ever!: Car repair manuals for everyone.

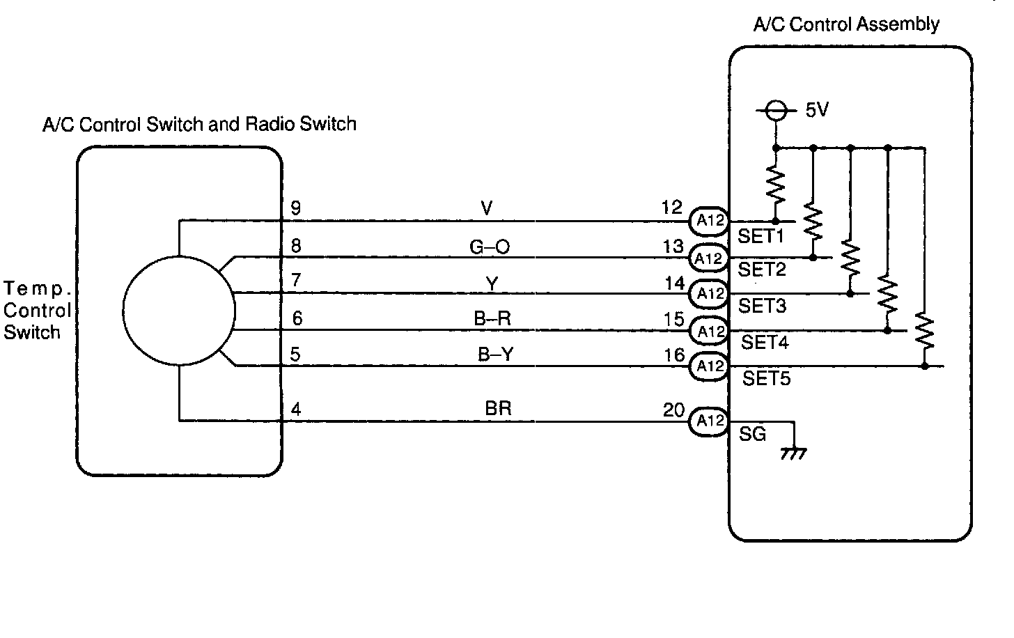
Temperature Control Switch Circuit

CIRCUIT DESCRIPTION




By turning the temp. control switch, the set temperature of the A/C can be adjusted in steps of 1°F (USA) or 0.5°C (Canada). Turning the switch fully will set the A/C to MAX. COLD or MAX. HOT.

The ECU calculates the set temperature from the combination of Hi (5V) or Low (0V) terminals SET 1 - 5 of the temp. control SW and displays the set temperature on the LCD display.

If a malfunction occurs in the temp. control SW circuit, malfunctions such as not being able to set the desired temperature occur.




WIRING DIAGRAM

Step 1:




Step 2:




Step 3:




INSPECTION PROCEDURE