Curiosii for ever!
: Car repair manuals for everyone.
Home
>>
Lexus
>>
1999
>>
SC 400 V8-4.0L (1UZ-FE)
>>
Repair and Diagnosis
>>
Diagrams
>>
Exploded Views
>>
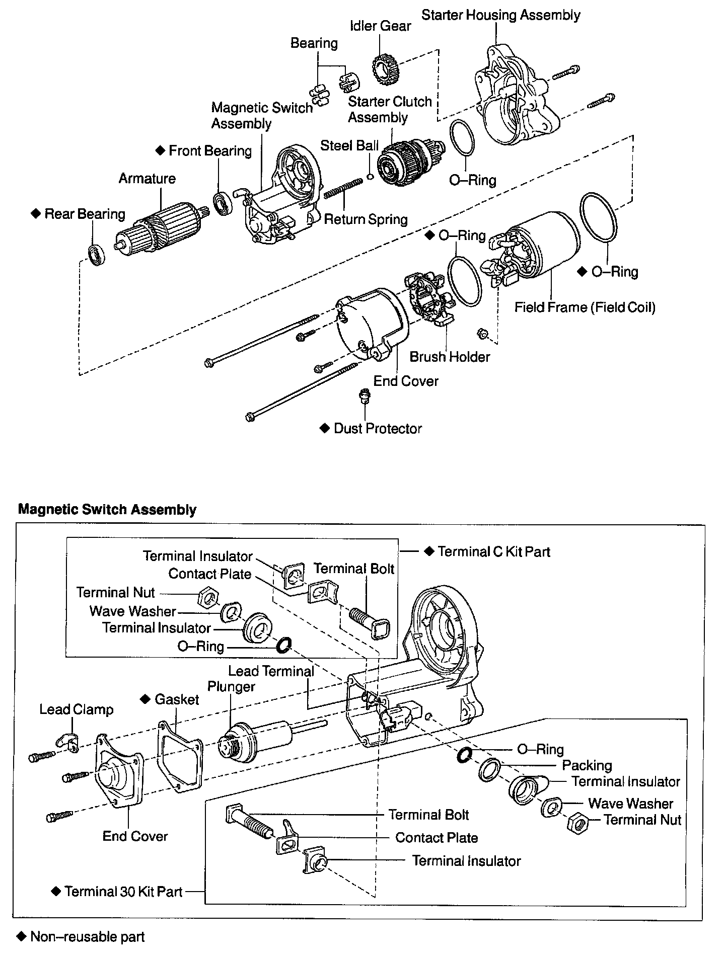
Starter Motor
Starter Motor
EXPLODED DIAGRAMS
Part 1 of 2
Part 2 of 2