Curiosii for ever!
: Car repair manuals for everyone.
Home
>>
Lexus
>>
1999
>>
SC 400 V8-4.0L (1UZ-FE)
>>
Repair and Diagnosis
>>
Body and Frame
>>
Seats
>>
Power Seat Control Module
>>
Testing and Inspection
>>
Power Seat Control System (Passenger)
Power Seat Control System (Passenger)
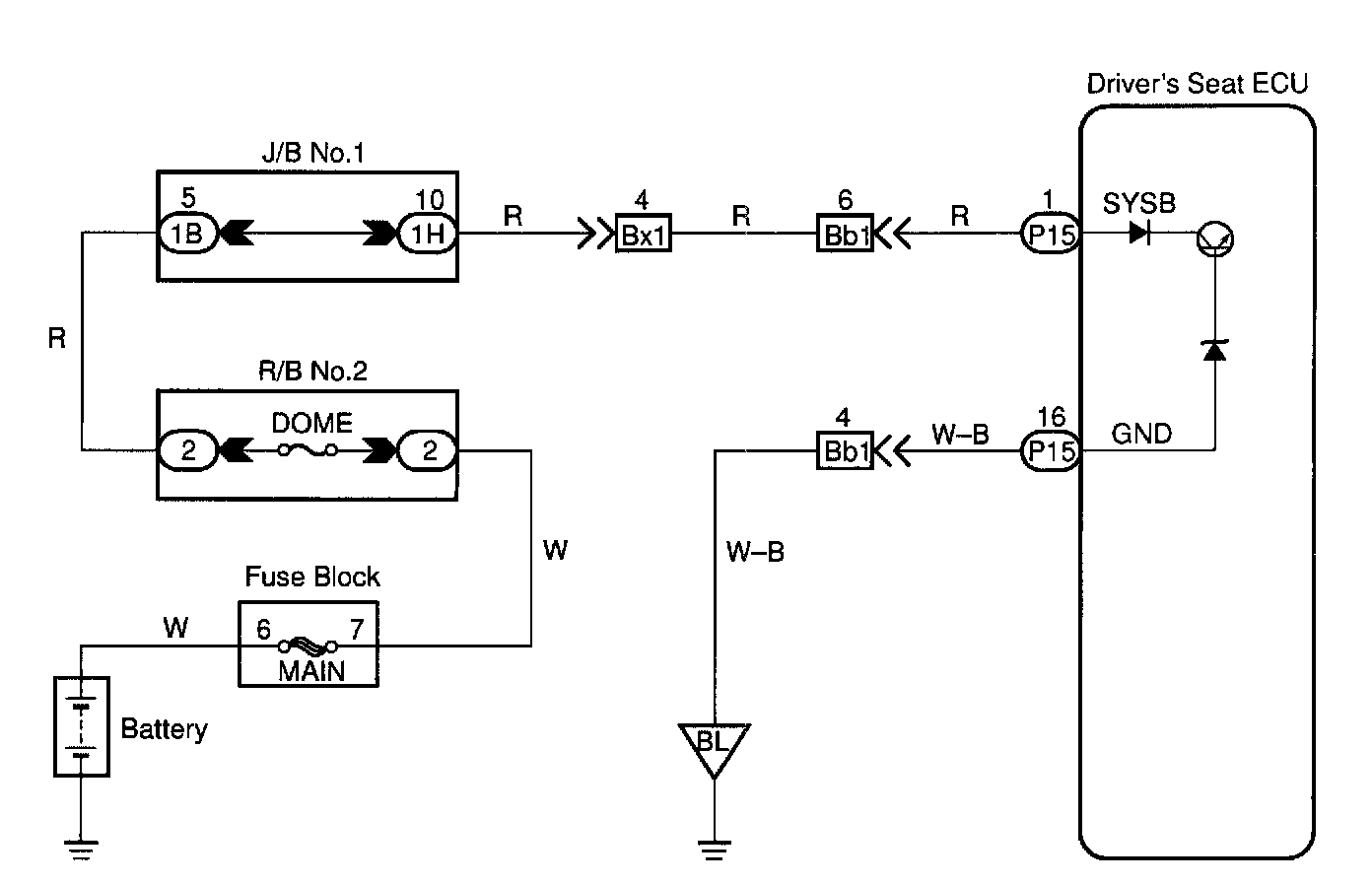
CIRCUIT INSPECTION
This circuit provides power for ECU operation and is also the power source for the sensor.
WIRING DIAGRAM
Step 1:
Step 2:
Step 3:
INSPECTION PROCEDURE