Curiosii for ever!: Car repair manuals for everyone.

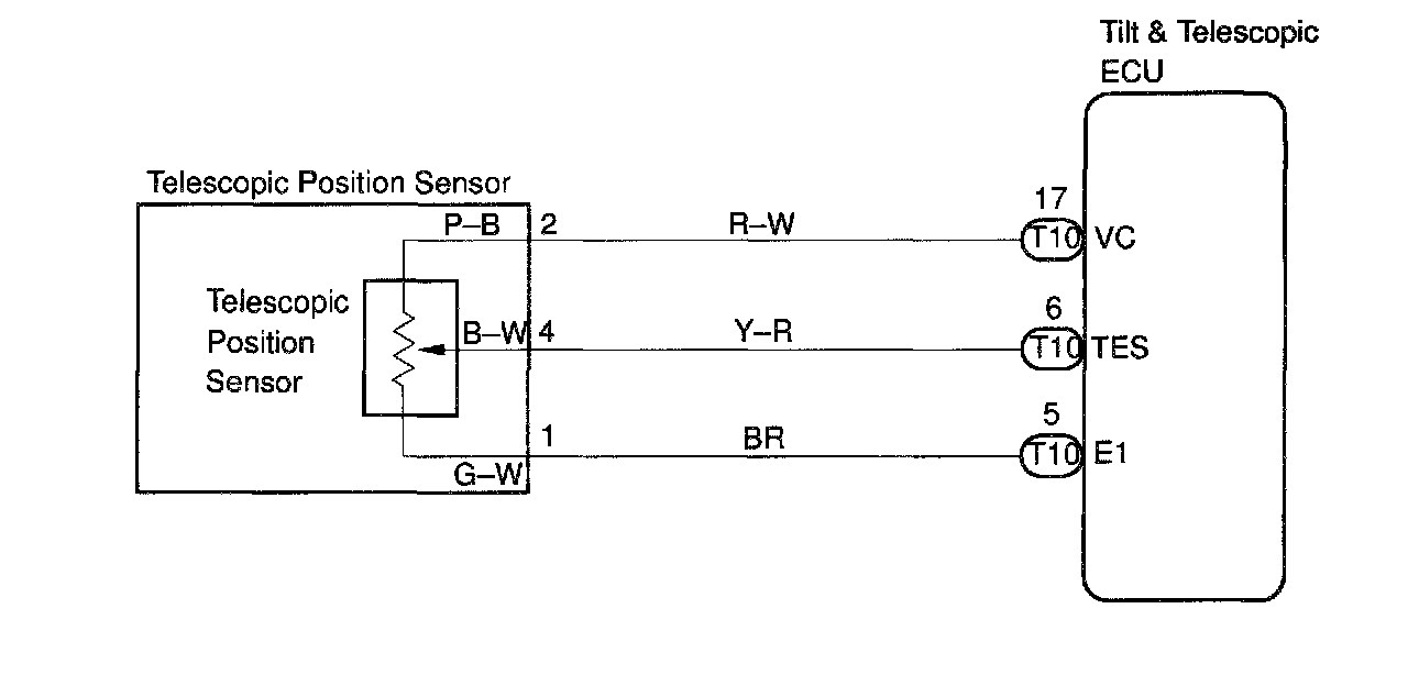
Telescopic Position Sensor Circuit

CIRCUIT DESCRIPTION

The telescopic position is sent to the ECU as a signal from the position sensor.
A constant 5 V supplied to terminal VC of the sensor.
The voltage at terminal TES varies with position and is input to the ECU.




WIRING DIAGRAM

Step 1:




Step 2:




Step 3:




INSPECTION PROCEDURE