Curiosii for ever!: Car repair manuals for everyone.

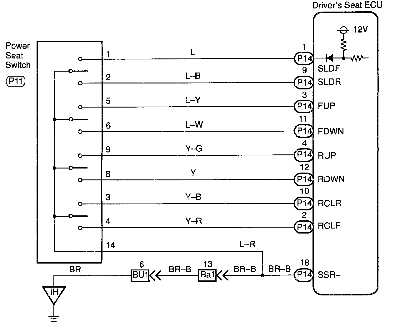
Power Seat Switch Circuit

CIRCUIT DESCRIPTION

When the power seat switch is operated, a signal is sent from the power seat switch to the ECU and the ECU sends a signal to the motor to make it operate (except for the lumbar support).

Even if a malfunction should occur with the position sensor and return operation is prohibited, manual operation will occur as normal.




WIRING DIAGRAM

Step 1:




Step 2:




Step 3:




INSPECTION PROCEDURE