Curiosii for ever!
: Car repair manuals for everyone.
Home
>>
Lexus
>>
1999
>>
SC 300 L6-3.0L (2JZ-GE)
>>
Repair and Diagnosis
>>
Body and Frame
>>
Seats
>>
Memory Positioning Systems
>>
Testing and Inspection
>>
Power Seat Control System
>>
Component Tests and General Diagnostics
>>
+ B Power Source Circuit
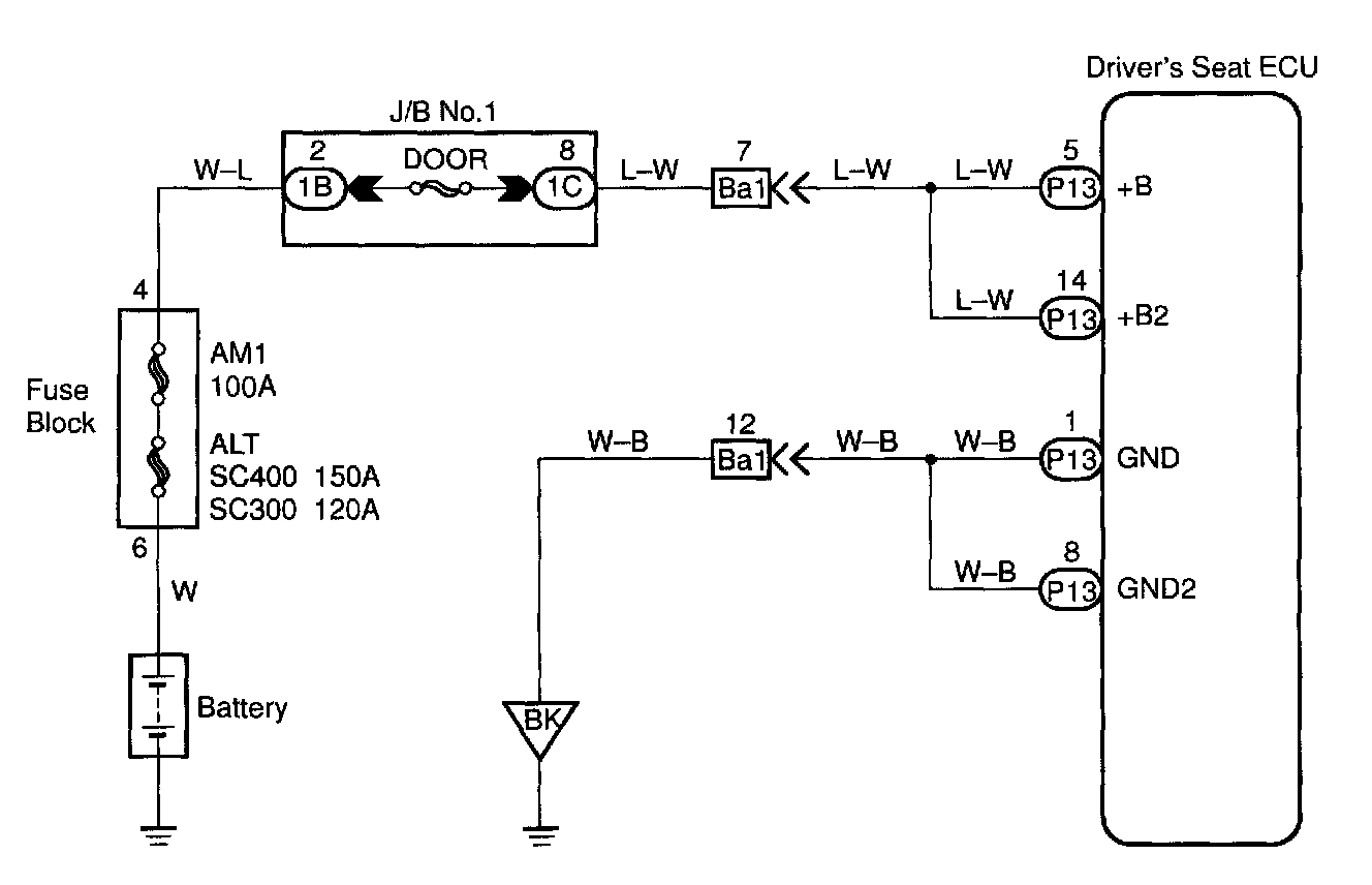
+ B Power Source Circuit
CIRCUIT DESCRIPTION
This is the power source for motors such as the slide motor and reclining motor.
WIRING DIAGRAM
Step 1:
Step 2:
Step 3:
INSPECTION PROCEDURE