Curiosii for ever!
: Car repair manuals for everyone.
Home
>>
Lexus
>>
1999
>>
LS 400 V8-4.0L (1UZ-FE)
>>
Repair and Diagnosis
>>
Windows and Glass
>>
Windows
>>
Power Window Motor
>>
Testing and Inspection
>>
Rear Left Control System
>>
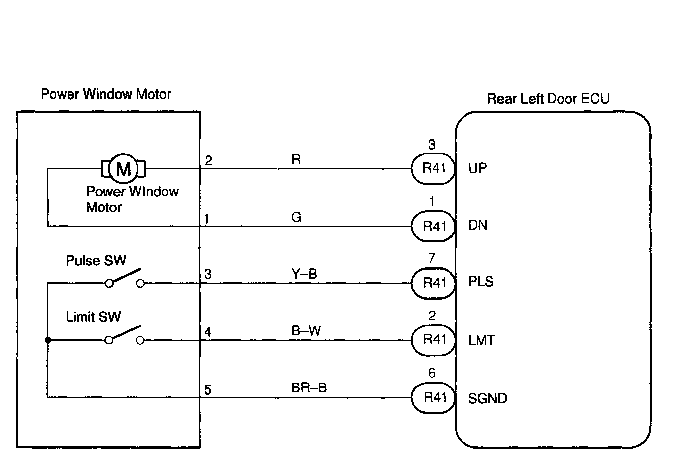
Power Window Motor Circuit
Power Window Motor Circuit
WIRING DIAGRAM
Step 1:
Step 2:
INSPECTION PROCEDURE