Curiosii for ever!
: Car repair manuals for everyone.
Home
>>
Lexus
>>
1999
>>
LS 400 V8-4.0L (1UZ-FE)
>>
Repair and Diagnosis
>>
Powertrain Management
>>
Relays and Modules - Powertrain Management
>>
Relays and Modules - Computers and Control Systems
>>
Engine Control Module
>>
Service and Repair
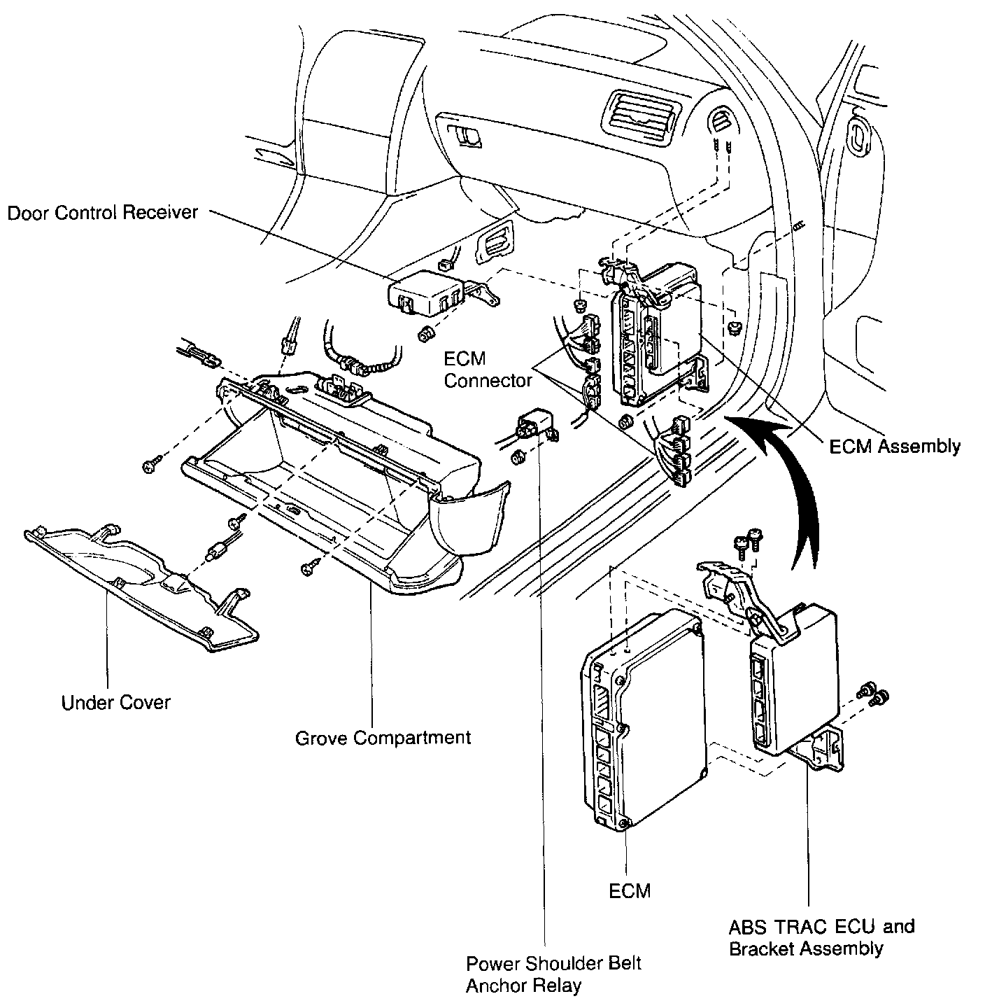
Engine Control Module: Service and Repair
COMPONENTS
1.
REMOVE ECM FROM BODY BRACKET
2.
INSPECT ECM
3.
REINSTALL ECM