Component Tests and General Diagnostics
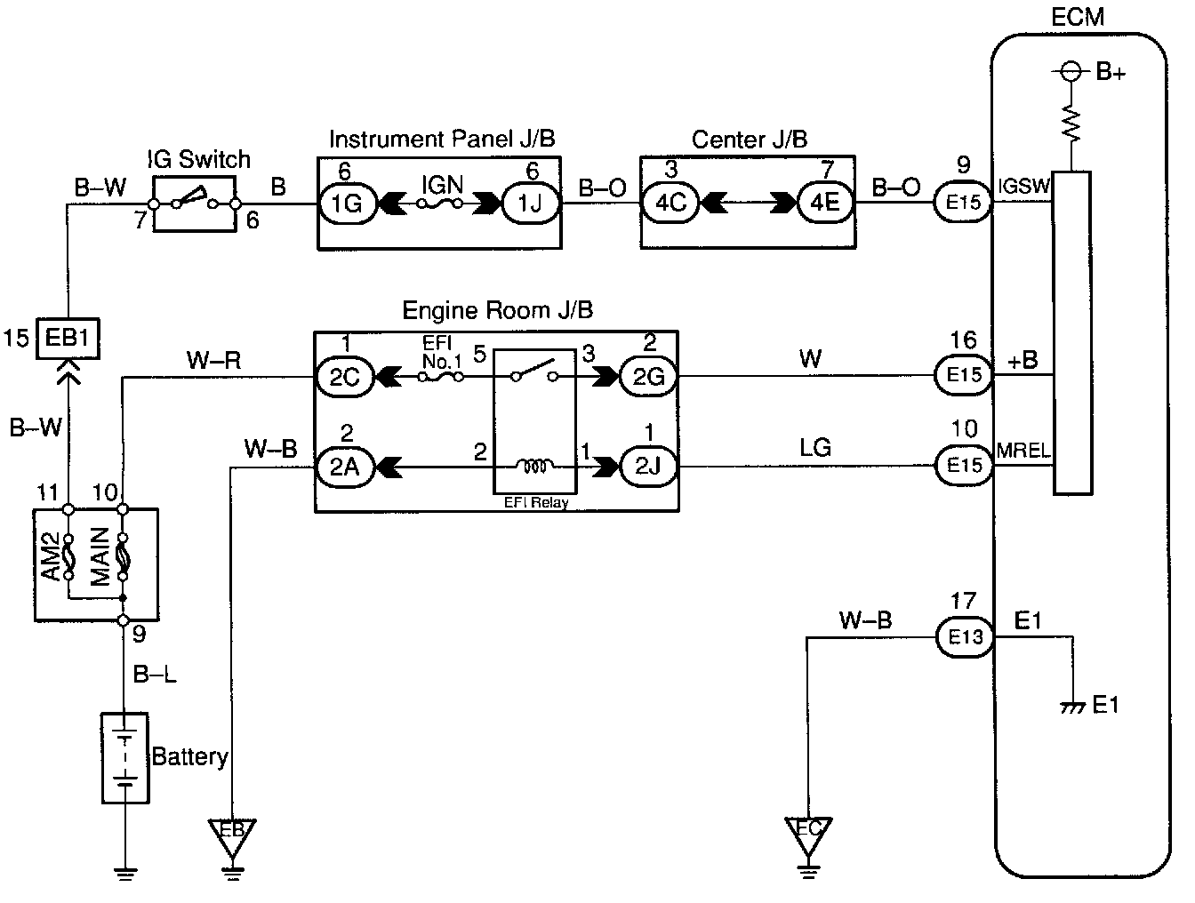
CIRCUIT DESCRIPTIONWhen the ignition switch is turned ON, battery positive voltage is applied to terminal IGSW of the ECM and the EFI main relay (Marking; EFI) control circuit in the ECM sends a signal to terminal MREL of the ECM switching on the EFI main relay.
This signal causes current to flow to the coil, closing the contacts of the EFI main relay and supplying power to terminal +B of the ECM.
If the ignition switch is turned off, the ECM continues to switch on the EFI main relay for a maximum of 2 seconds for the initial setting of the IAC valve.
WIRING DIAGRAM
Step 1:
Step 2:
Step 3:
Step 4:
Step 5:
Step 6:
Step 7:
Step 8:
Step 9:
INSPECTION PROCEDURE