Curiosii for ever!: Car repair manuals for everyone.

Camshaft Position Sensor: Testing and Inspection

CIRCUIT DESCRIPTION
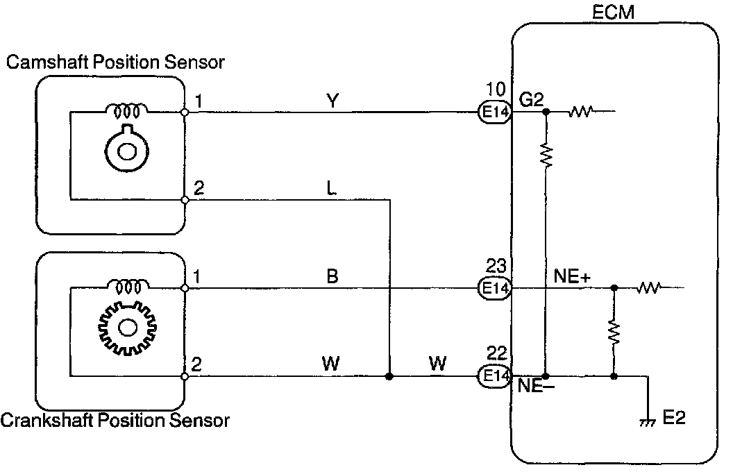
Camshaft position sensor (G2 signal) consist of a signal plate and pickup coil.
The G2 signal plate has 1 tooth, on its outer circumference and is mounted on the left bank camshafts. When the camshafts rotate, the protrusion on the signal plate and the air gap on the pickup coil change, causing fluctuations in the magnetic field and generating an electromotive force in the pickup coil. The NE signal plate has 34 teeth and is mounted on the crankshaft. The NE signal sensor generates 34 signals for every engine revolution. The ECM detects the standard crankshaft angle based on the G2 signal and the actual crankshaft angle and the engine speed by the NE signals.





DETECTING CONDITIONS




WIRING DIAGRAM

Step 1:




Step 2:




Step 3:




INSPECTION PROCEDURE

HINT: Read freeze frame data using LEXUS hand-held tester or OBD II scan tool. Because freeze frame records the engine conditions when the malfunction is detected, when troubleshooting it is useful for determining whether the vehicle was running or stopped, the engine warmed up or not, the air-fuel ratio lean or rich, etc at the time of the malfunction.