Curiosii for ever!: Car repair manuals for everyone.

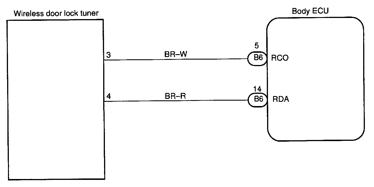
Wireless Door Lock Tuner Circuit

CIRCUIT DESCRIPTION
The signal from the transmitter will be input to the body ECU through RDA line. RDA line is diagnosed by the Body ECU, so check DTC also in case of the failure of the wireless function.




WIRING DIAGRAM

Step 1:




Step 2:




Step 3:




INSPECTION PROCEDURE