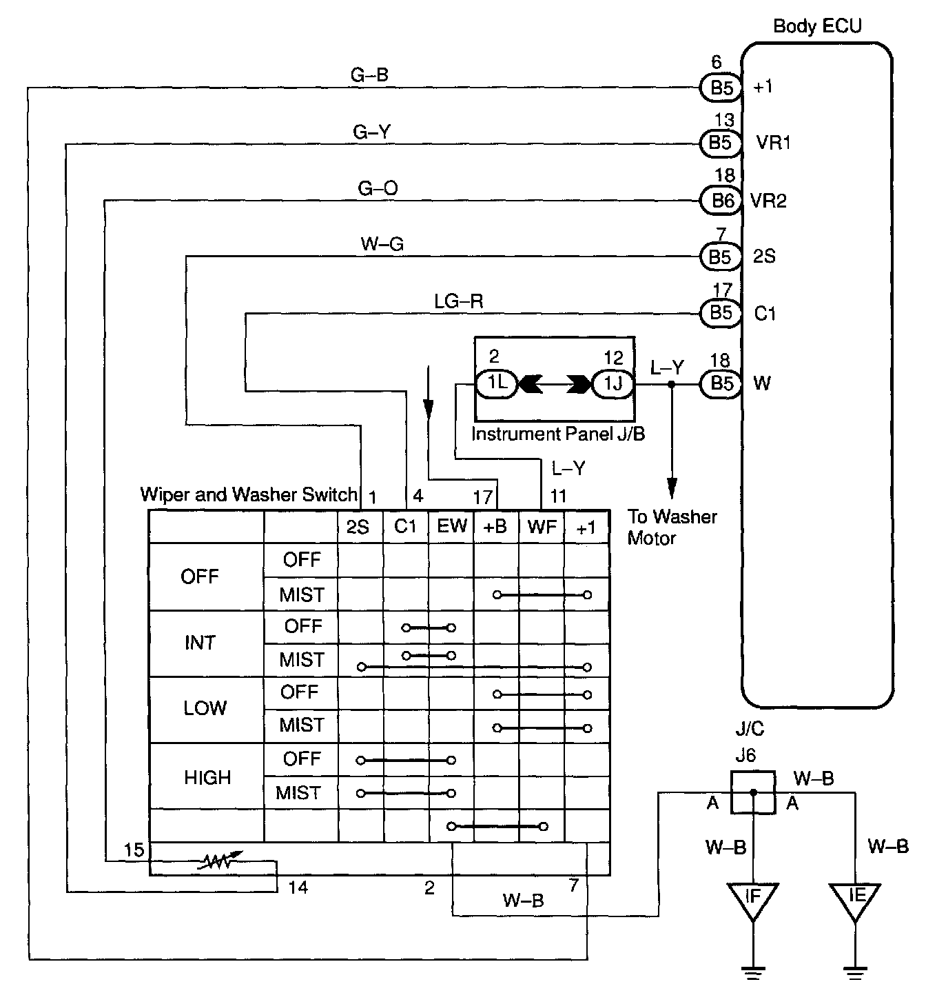
Wiper and Washer Switch Circuit
CIRCUIT DESCRIPTIONBody ECU judges the switch position with the terminal voltage of the wiper and washer switch and runs the wiper motor.
WIRING DIAGRAM
Step 1:
Step 2:
Step 3:
INSPECTION PROCEDURE
HINT: In case of using the LEXUS hand-held tester, start the inspection from step 1 and in case of not using the LEXUS hand-held tester, start from step 2.