Curiosii for ever!
: Car repair manuals for everyone.
Home
>>
Lexus
>>
1999
>>
LS 400 V8-4.0L (1UZ-FE)
>>
Repair and Diagnosis
>>
Heating and Air Conditioning
>>
Control Assembly
>>
Testing and Inspection
>>
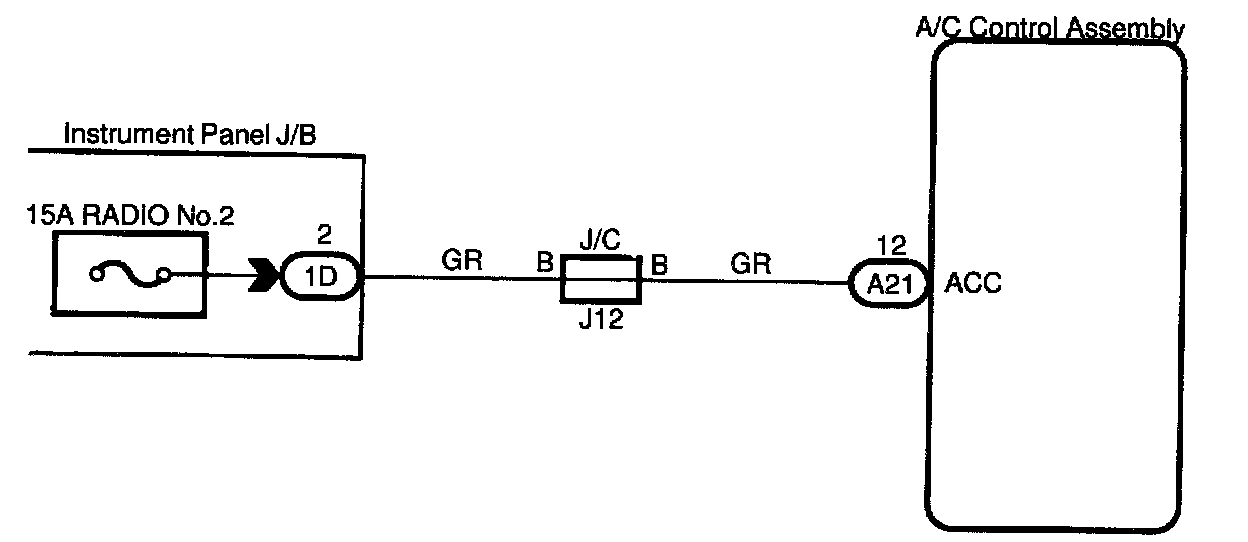
ACC Power Source Circuit
ACC Power Source Circuit
CIRCUIT DESCRIPTION
This circuit supplies power to the
A/C control assembly
.
WIRING DIAGRAM
Step 1:
Step 2:
INSPECTION PROCEDURE