Curiosii for ever!
: Car repair manuals for everyone.
Home
>>
Lexus
>>
1999
>>
LS 400 V8-4.0L (1UZ-FE)
>>
Repair and Diagnosis
>>
Diagrams
>>
Exploded Views
>>
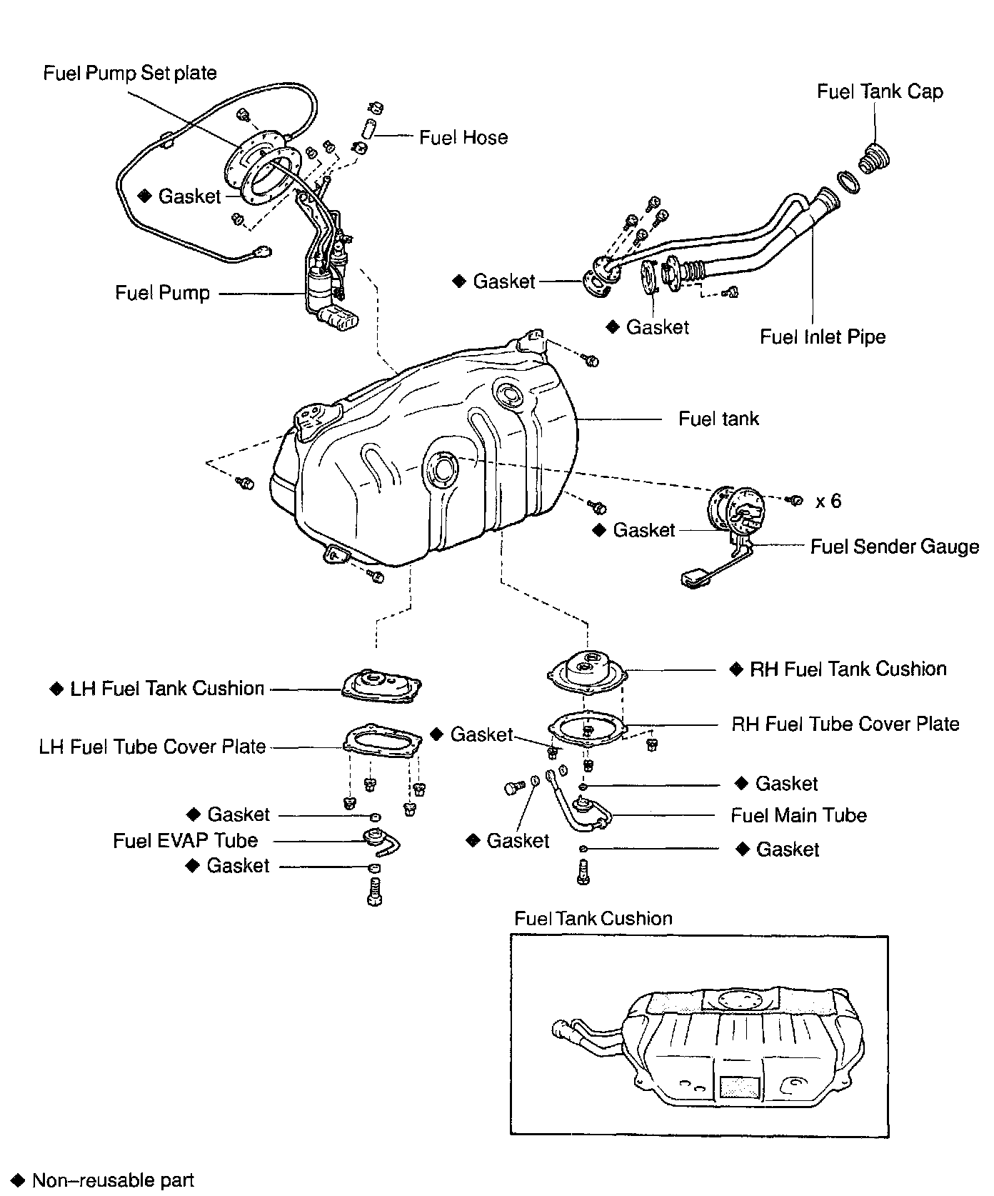
Fuel Tank
Fuel Tank
1.
Always use new gaskets when replacing the fuel tank or components part.
2.
Apply the proper torque to all parts tightened.