Curiosii for ever!: Car repair manuals for everyone.

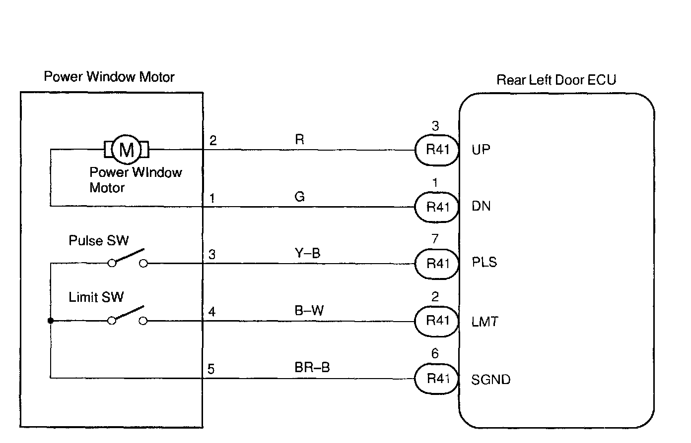
Jam Protection Limit Switch Circuit

CIRCUIT DESCRIPTION
Jam protection limit switch is built-in the power window motor. This switch functions to turn "OFF" before the top dead center, and ECU reads this "OFF" signal resulting in closing the window fully.




WIRING DIAGRAM

Step 1:




Step 2:




INSPECTION PROCEDURE