Curiosii for ever!: Car repair manuals for everyone.

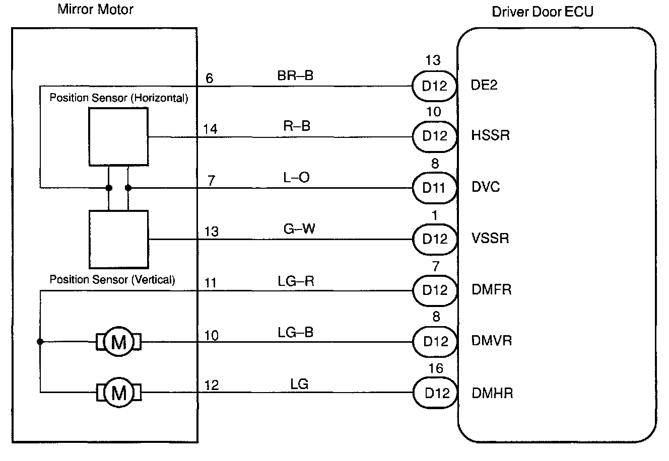
Mirror Position Sensor Circuit (W/ Memory)

CIRCUIT DESCRIPTION
This position detected by the mirror position detection sensor will be memorized in the seat ECU. This sensor is equipped in the mirror in spite of the existence of the memory function.




WIRING DIAGRAM

Step 1:




Step 2:




Step 3:




INSPECTION PROCEDURE

HINT: In case of using the LEXUS hand-held tester, start the inspection from step 1 and in case of not using the LEXUS hand-held tester, start from step 2.