Curiosii for ever!: Car repair manuals for everyone.

Variable Valve Timing Actuator Position Sensor: Service and Repair










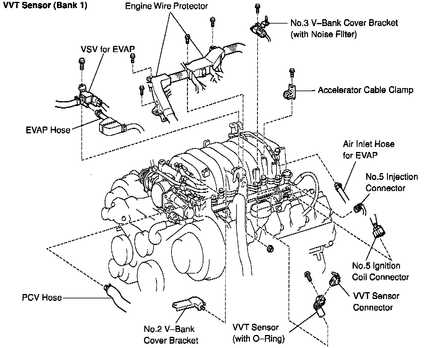
COMPONENTS

1. REPLACE VVT SENSOR (BANK 1)
a. Remove the 2 cap nuts, 2 bolts and V-bank cover.
b. Disconnect the engine wire protector from upper intake manifold and camshaft bearing cap.
c. Disconnect the VVT sensor connector.




d. Disconnect the No.5 ignition coil connector.
e. Disconnect the No.5 injector connector.
f. Remove the bolt, and pry out the VVT sensor.
g. Attach a new VVT sensor to the cylinder head.
h. Reinstall the VVT sensor with the bolt.
Torque: 6.5 N.m (65 kgf.cm, 58 in.lbf)
i. Reconnect the No.5 injector connector.
j. Reconnect the No.5 ignition coil connector.
k. Reconnect the VVT sensor connector.
I. Reinstall the engine wire protector.
m. Reinstall the V-bank cover with the 2 cap nuts and 2 bolts.

2. REPLACE VVT SENSOR (BANK 2)
a. Remove the 2 cap nuts, 2 bolts and V-bank cover.
b. Remove the intake air connector pipe.
c. Disconnect the VVT sensor connector.




d. Disconnect the No.4 ignition coil connector.
e. Disconnect the No.4 injector connector.
f. Remove the bolt, and pry out the VVT sensor.
g. Attach a new VVT sensor to the cylinder head.
h. Reinstall the VVT sensor with the bolt.
Torque: 6.5 N.m (65 kgf.cm, 58 in.lbf)
i. Reconnect the No.4 ignition coil connector.
]. Reconnect the No.4 injector connector.
k. Reconnect the VVT sensor connector.
I. Reinstall the intake air connector pipe.
m. Reinstall the V-bank cover with the 2 cap nuts and 2 bolts.