Curiosii for ever!: Car repair manuals for everyone.

Knock Sensor: Testing and Inspection







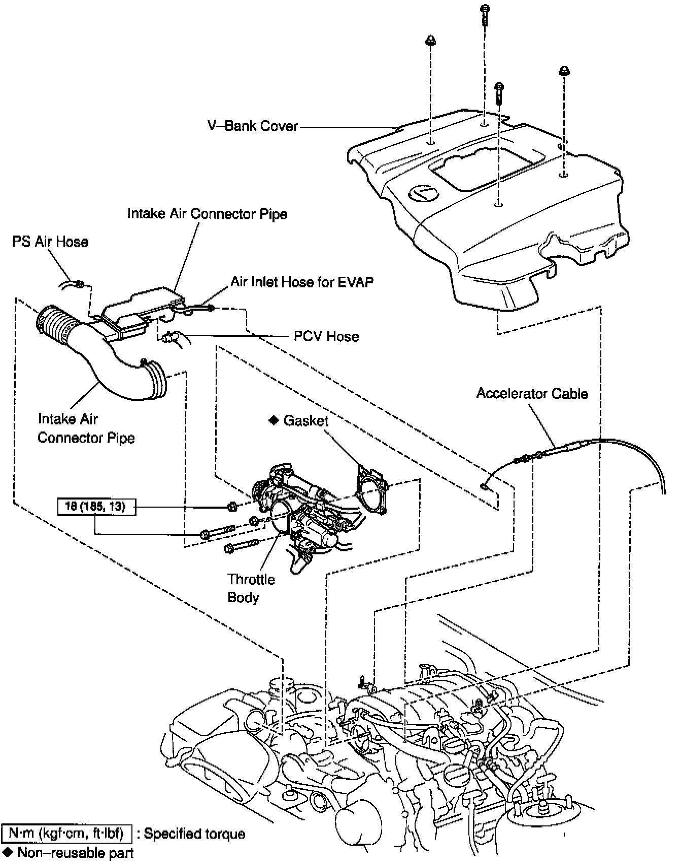
COMPONENTS

INSPECTION
1. REMOVE V-BANK COVER
2. REMOVE INTAKE AIR CONNECTOR PIPE
3. DISCONNECT THROTTLE BODY FROM INTAKE MANIFOLDS
4. REMOVE UPPER AND LOWER INTAKE MANIFOLDS ASSEMBLY

5. INSPECT KNOCK SENSOR 1, 2




a. Disconnect the knock sensor connectors.
b. Using an ohmmeter, check that there is no continuity between the terminal and body.




If there is continuity, replace the sensor with SST.
SST 09816-30010
Torque: 45 N.m (450 kgf.cm, 33 ft.lbf)
c. Reconnect the knock sensor connectors.

6. REINSTALL UPPER AND LOWER INTAKE MANIFOLDS ASSEMBLY
7. REINSTALL THROTTLE BODY TO INTAKE MANIFOLDS
8. REINSTALL INTAKE AIR CONNECTOR PIPE
9. REINSTALL V-BANK COVER