Curiosii for ever!
: Car repair manuals for everyone.
Home
>>
Lexus
>>
1999
>>
GS 400 V8-4.0L (1UZ-FE)
>>
Repair and Diagnosis
>>
Diagrams
>>
Exploded Views
>>
Engine
>>
Cylinder Head Assembly
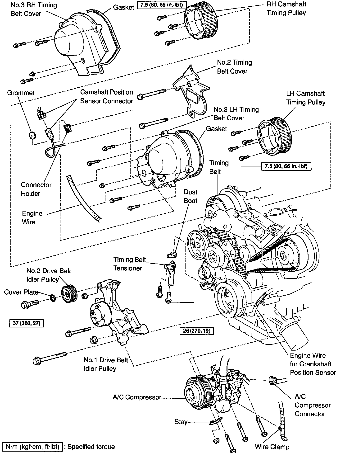
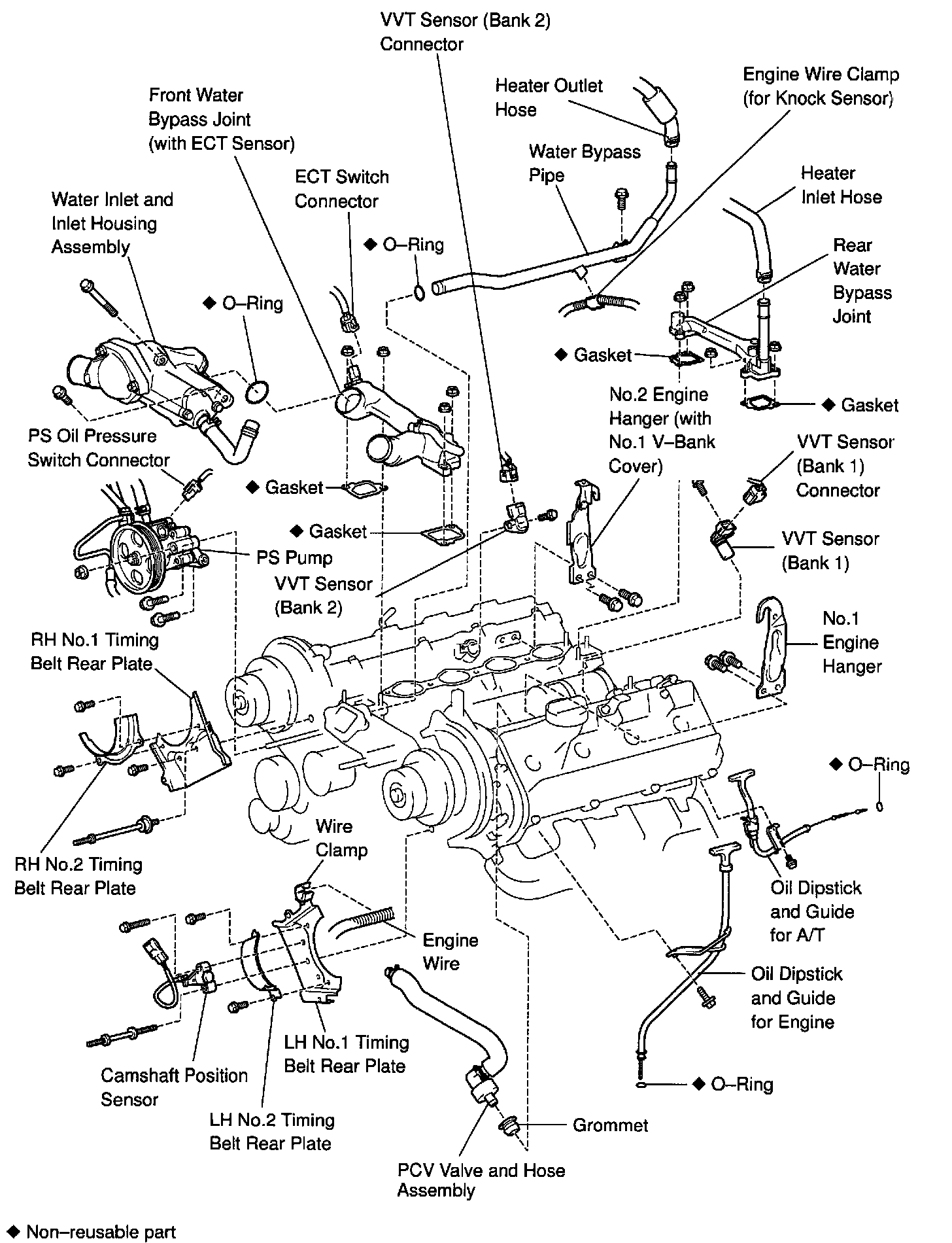
Cylinder Head Assembly
CYLINDER HEAD COMPONENTS