Curiosii for ever!
: Car repair manuals for everyone.
Home
>>
Lexus
>>
1999
>>
GS 400 V8-4.0L (1UZ-FE)
>>
Repair and Diagnosis
>>
Body and Frame
>>
Body Control Systems
>>
Testing and Inspection
>>
Component Tests and General Diagnostics
>>
Passenger Door Control System
>>
Door Lock Control Switch Circuit
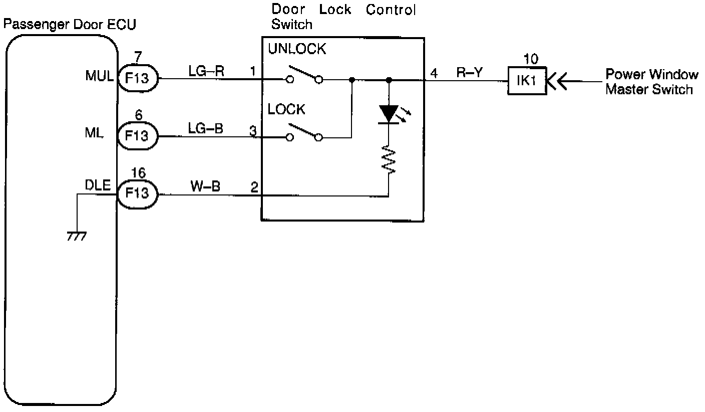
Door Lock Control Switch Circuit
CIRCUIT DESCRIPTION
Door Lock Control Switch Circuit can be checked using DTC check.
WIRING DIAGRAM
Step 1:
Step 2:
Step 3:
Step 4:
INSPECTION PROCEDURE