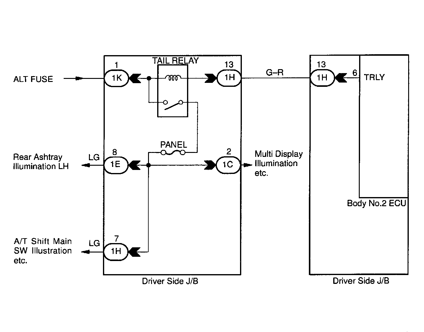
Taillight Relay
CIRCUIT DESCRIPTIONTaillight relay will be "ON" by operating the tail light switch. The transistor which activates the tail light relay has two sorts: one activates by the tail light switch for fail safe and the other activates by CPU.
WIRING DIAGRAM
Step 1:
Step 2:
Step 3:
INSPECTION PROCEDURE
HINT: In case of using the LEXUS hand-held tester, start the inspection from step 1 and in case of not using the LEXUS hand-held tester, start from step 2.