Curiosii for ever!
: Car repair manuals for everyone.
Home
>>
Lexus
>>
1999
>>
GS 300 L6-3.0L (2JZ-GE)
>>
Repair and Diagnosis
>>
Relays and Modules
>>
Relays and Modules - Powertrain Management
>>
Relays and Modules - Computers and Control Systems
>>
Body Control Module
>>
Testing and Inspection
>>
Component Tests and General Diagnostics
>>
Body No. 1 Control System
>>
PWS Circuit
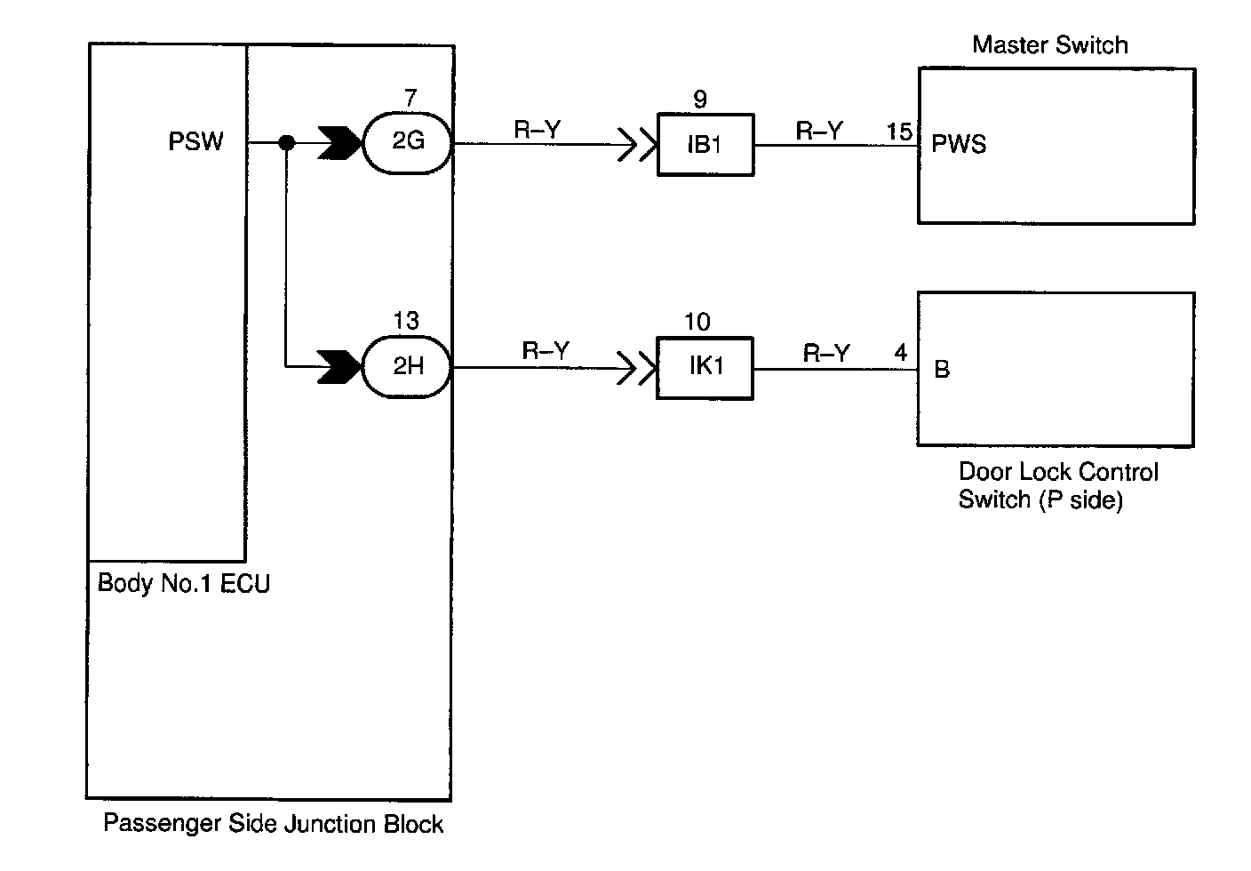
PWS Circuit
CIRCUIT DESCRIPTION
This circuit is the power source of the master switch for the driver's door and the door lock switch for the passenger's doors.
WIRING DIAGRAM
Step 1:
INSPECTION PROCEDURE