Curiosii for ever!: Car repair manuals for everyone.

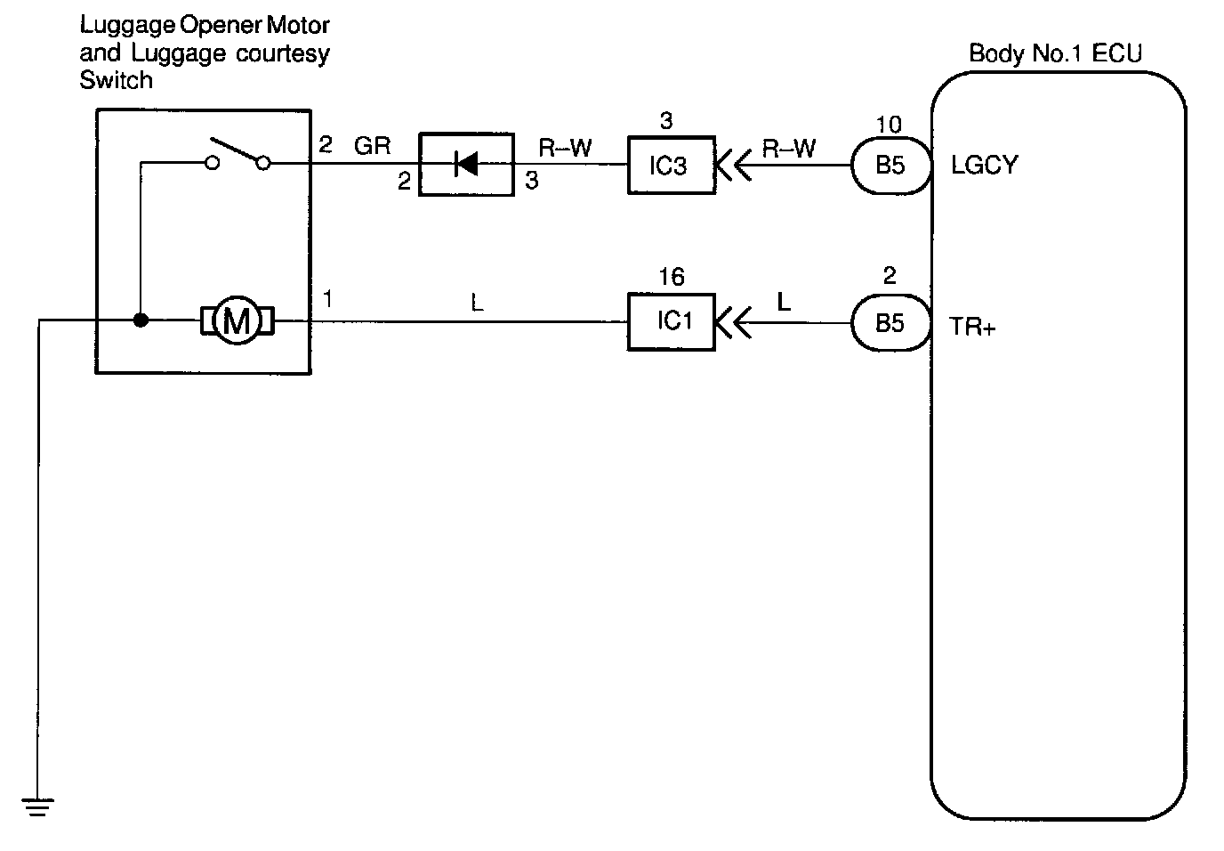
Luggage Courtesy Switch Circuit

CIRCUIT DESCRIPTION
The luggage courtesy switch goes on when luggage compartment door is opened and goes off when luggage compartment door is closed.




WIRING DIAGRAM

Step 1:




Step 2:




Step 3:




INSPECTION PROCEDURE

HINT: In case of using the LEXUS hand-held tester, start the inspection from step 1 and in case of not using the LEXUS hand-held tester, start from step 2.