Curiosii for ever!
: Car repair manuals for everyone.
Home
>>
Lexus
>>
1999
>>
GS 300 L6-3.0L (2JZ-GE)
>>
Repair and Diagnosis
>>
Powertrain Management
>>
Computers and Control Systems
>>
Body Control Module
>>
Testing and Inspection
>>
Component Tests and General Diagnostics
>>
Body No. 2 Control System
>>
Driver Buckle Switch Circuit
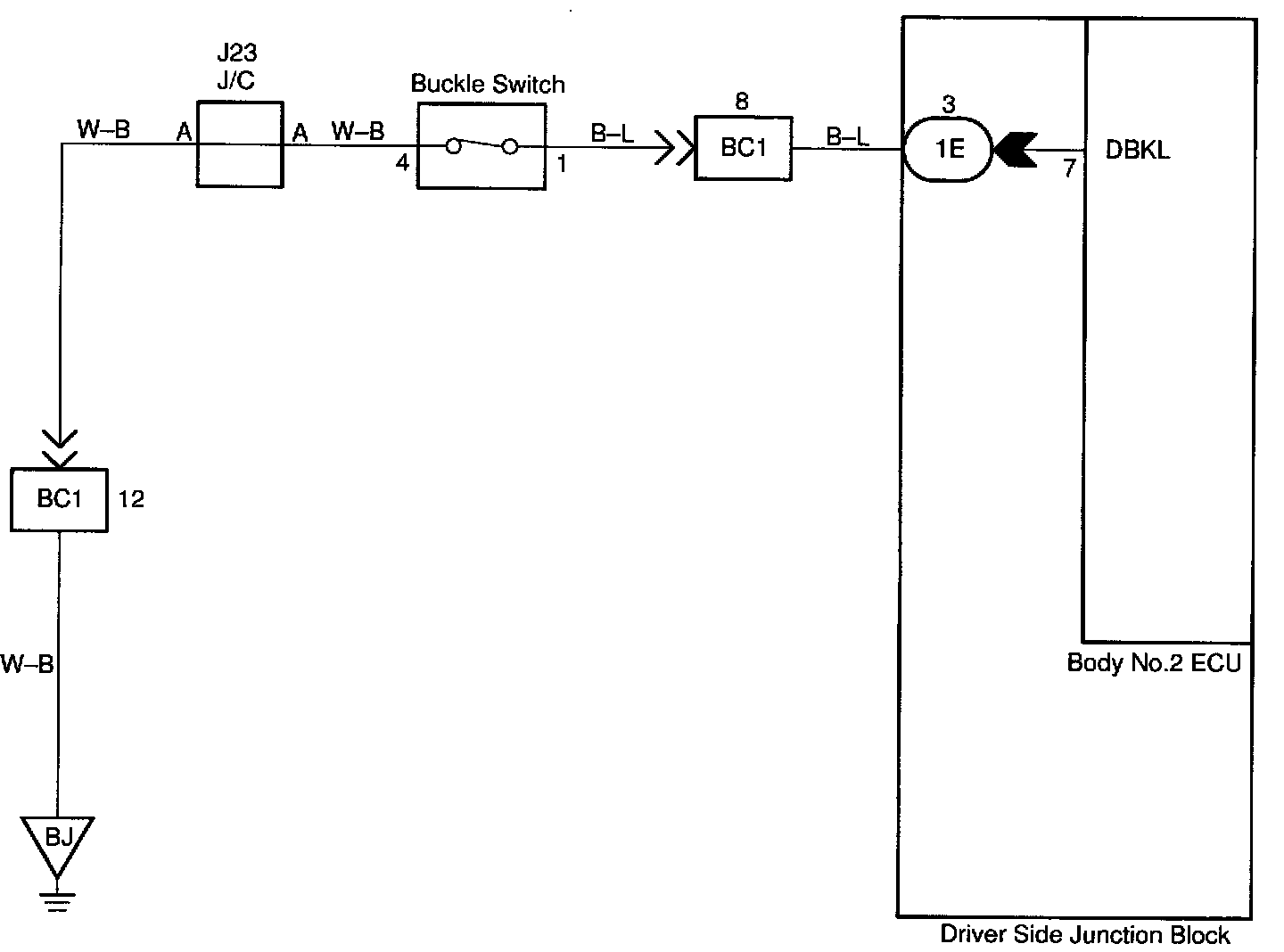
Driver Buckle Switch Circuit
WIRING DIAGRAM
Step 1:
Step 2:
Step 3:
INSPECTION PROCEDURE
HINT:
In case of using the LEXUS hand-held tester, start the inspection from step 1 and in case of not using the LEXUS hand-held tester, start from step 2.