Curiosii for ever!
: Car repair manuals for everyone.
Home
>>
Lexus
>>
1999
>>
GS 300 L6-3.0L (2JZ-GE)
>>
Repair and Diagnosis
>>
Powertrain Management
>>
Computers and Control Systems
>>
Body Control Module
>>
Testing and Inspection
>>
Component Tests and General Diagnostics
>>
Body No. 1 Control System
>>
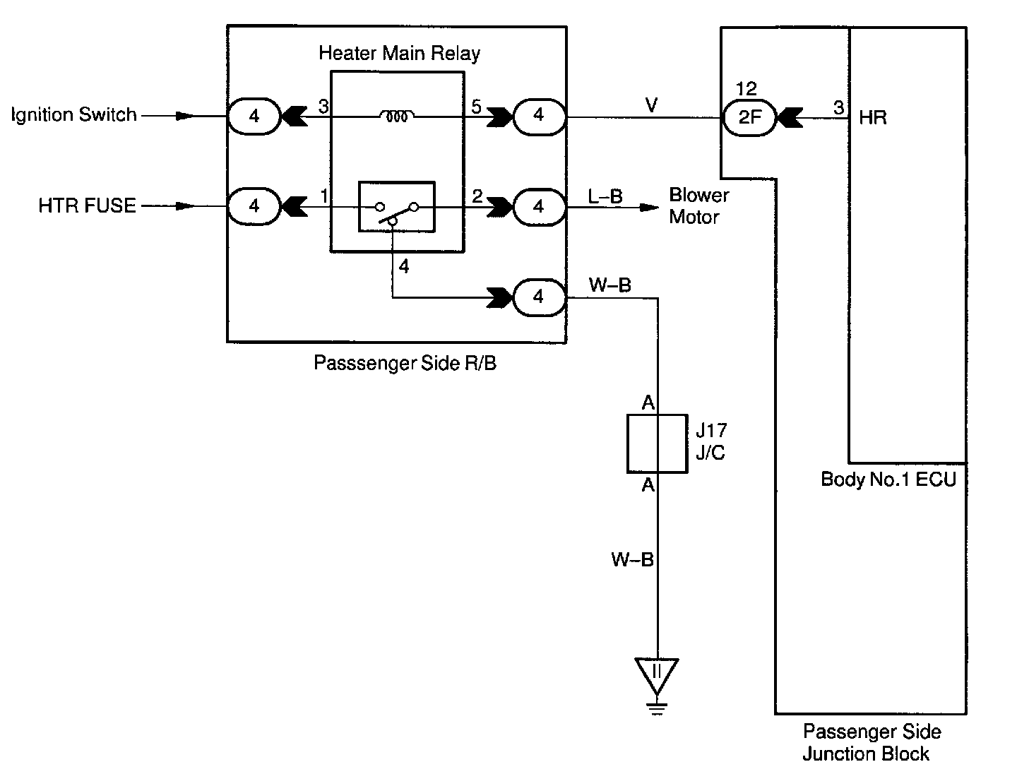
Heater Main Relay Circuit
Heater Main Relay Circuit
WIRING DIAGRAM
Step 1:
Step 2:
INSPECTION PROCEDURE