Curiosii for ever!
: Car repair manuals for everyone.
Home
>>
Lexus
>>
1998
>>
SC 400 V8-4.0L (1UZ-FE)
>>
Repair and Diagnosis
>>
Powertrain Management
>>
Computers and Control Systems
>>
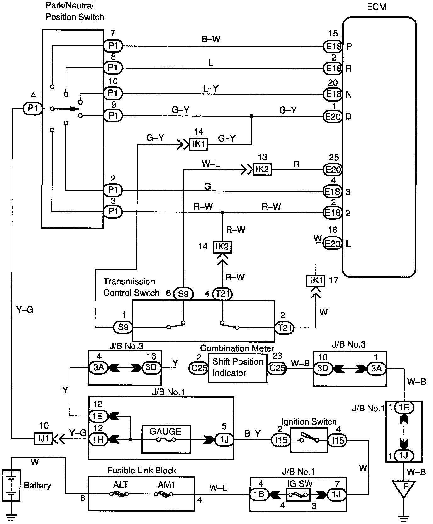
Transmission Position Sensor/Switch
>>
Diagrams
>>
Electrical Diagrams
Electrical Diagrams