Curiosii for ever!
: Car repair manuals for everyone.
Home
>>
Lexus
>>
1998
>>
SC 400 V8-4.0L (1UZ-FE)
>>
Repair and Diagnosis
>>
Diagrams
>>
Exploded Views
>>
Engine
>>
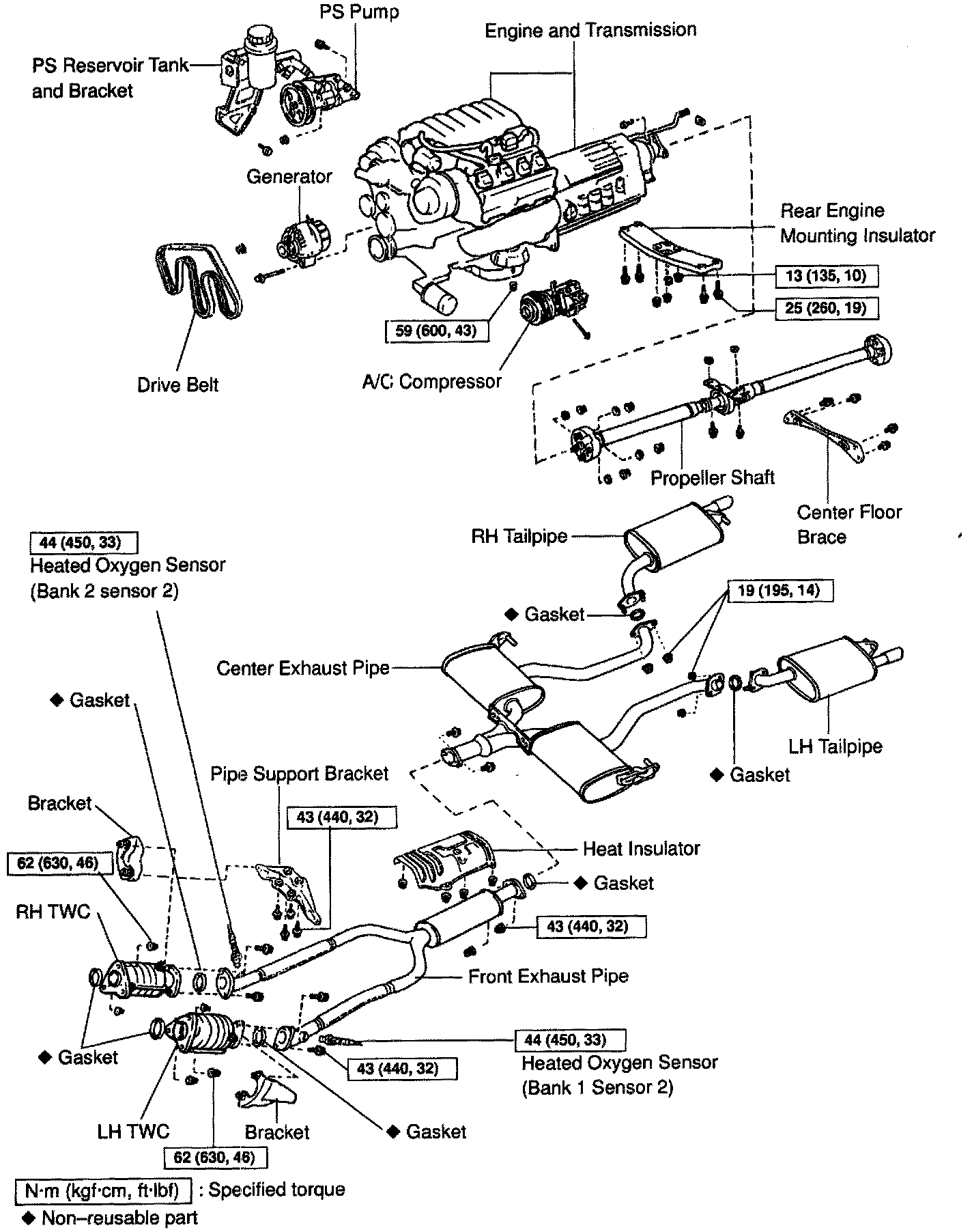
System Diagram
System Diagram
UNDERHOOD VIEW
EXHAUST SYSTEM
ENGINE AND TRANSMISSION ASSEMBLIES
GLOVE BOX AND ECM