Curiosii for ever!
: Car repair manuals for everyone.
Home
>>
Lexus
>>
1998
>>
SC 400 V8-4.0L (1UZ-FE)
>>
Repair and Diagnosis
>>
Diagrams
>>
Exploded Views
>>
Engine
>>
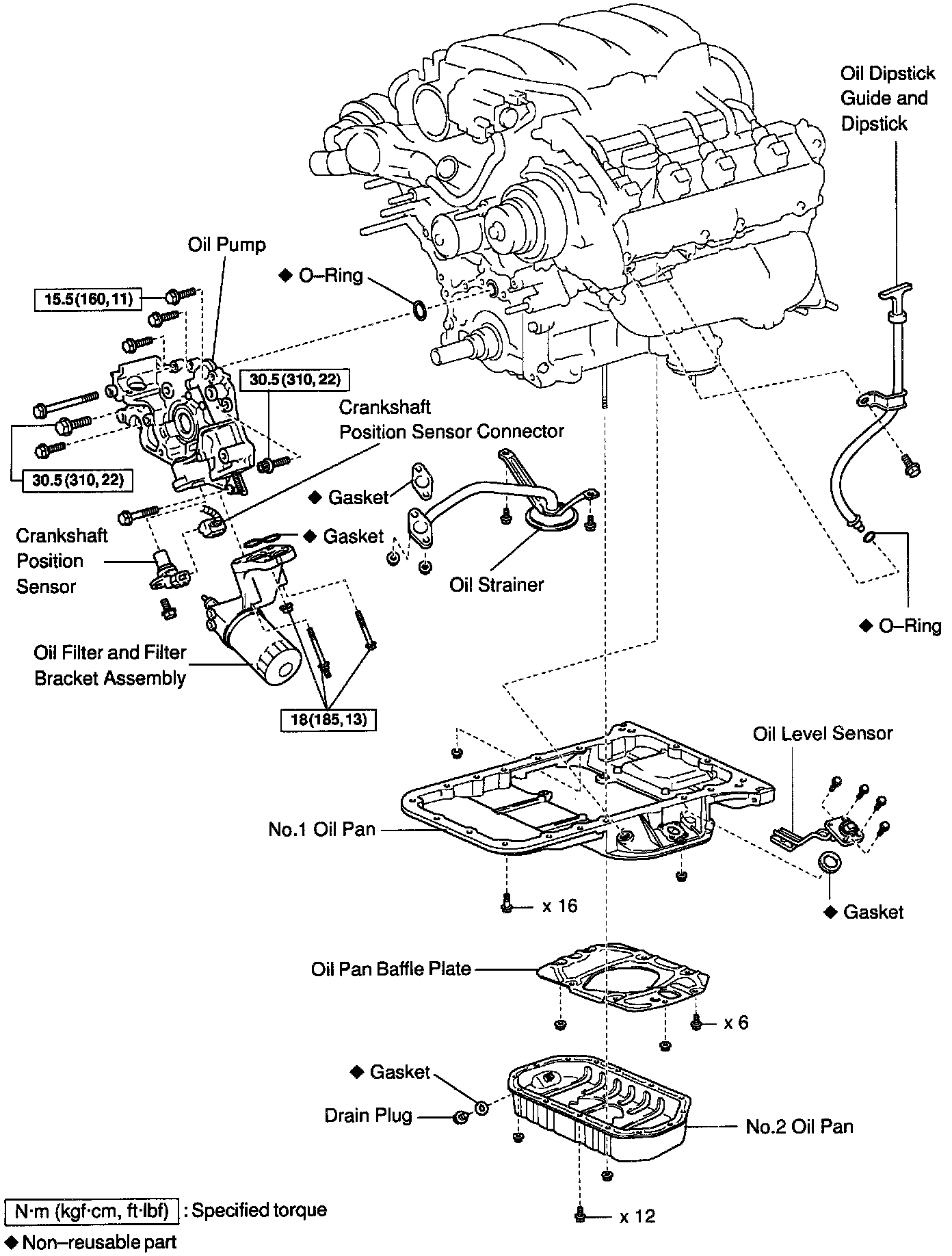
Oil Pump, Engine
Oil Pump, Engine
TIMING BELT COVER
CAMSHAFT TIMING PULLEYS
TIMING BELT
AND RELATED COMPONENTS
OIL PUMP AND RELATED COMPONENTS
OIL PUMP