Curiosii for ever!
: Car repair manuals for everyone.
Home
>>
Lexus
>>
1998
>>
SC 300 L6-3.0L (2JZ-GE)
>>
Repair and Diagnosis
>>
Diagrams
>>
Exploded Views
>>
Engine
>>
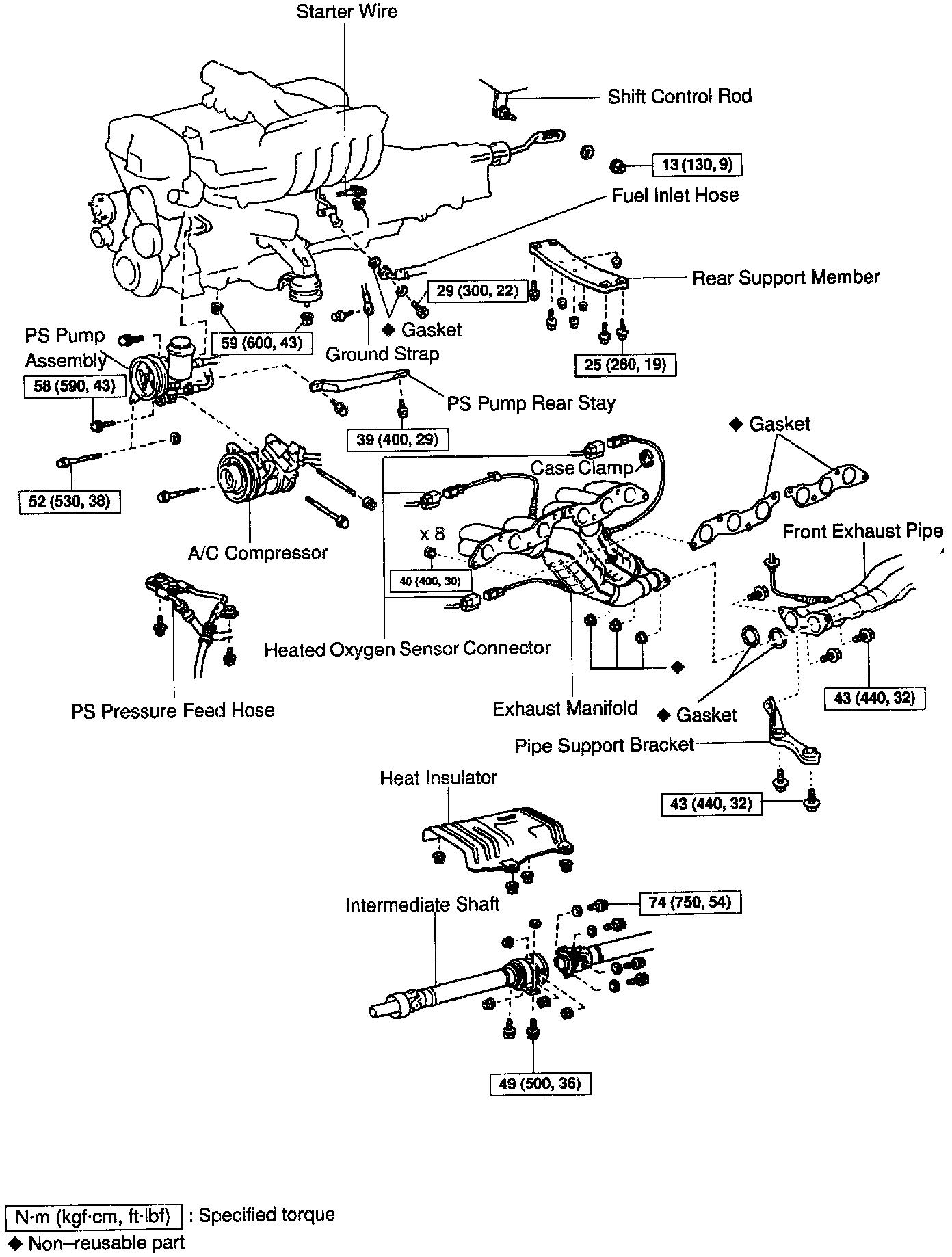
System Diagram
System Diagram
UNDERHOOD VIEW
ENGINE, TRANSMISSION AND
EXHAUST SYSTEM
GLOVE COMPARTMENT AND ECM