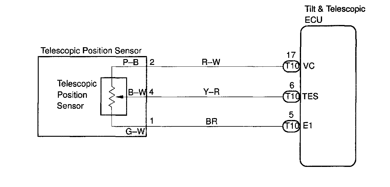
Telescopic Position Sensor Circuit
CIRCUIT DESCRIPTIONThe telescopic position is sent to the ECU as a signal from the position sensor.
A constant 5 V supplied to terminal VC of the sensor.
The voltage at terminal TES varies with position and is input to the ECU.
WIRING DIAGRAM
Step 1:
Step 2:
Step 3:
INSPECTION PROCEDURE