Curiosii for ever!
: Car repair manuals for everyone.
Home
>>
Lexus
>>
1998
>>
SC 300 L6-3.0L (2JZ-GE)
>>
Repair and Diagnosis
>>
Body and Frame
>>
Seats
>>
Memory Positioning Systems
>>
Testing and Inspection
>>
Power Tilt and Power Telescopic Steering Column
>>
Component Tests and General Diagnostics
>>
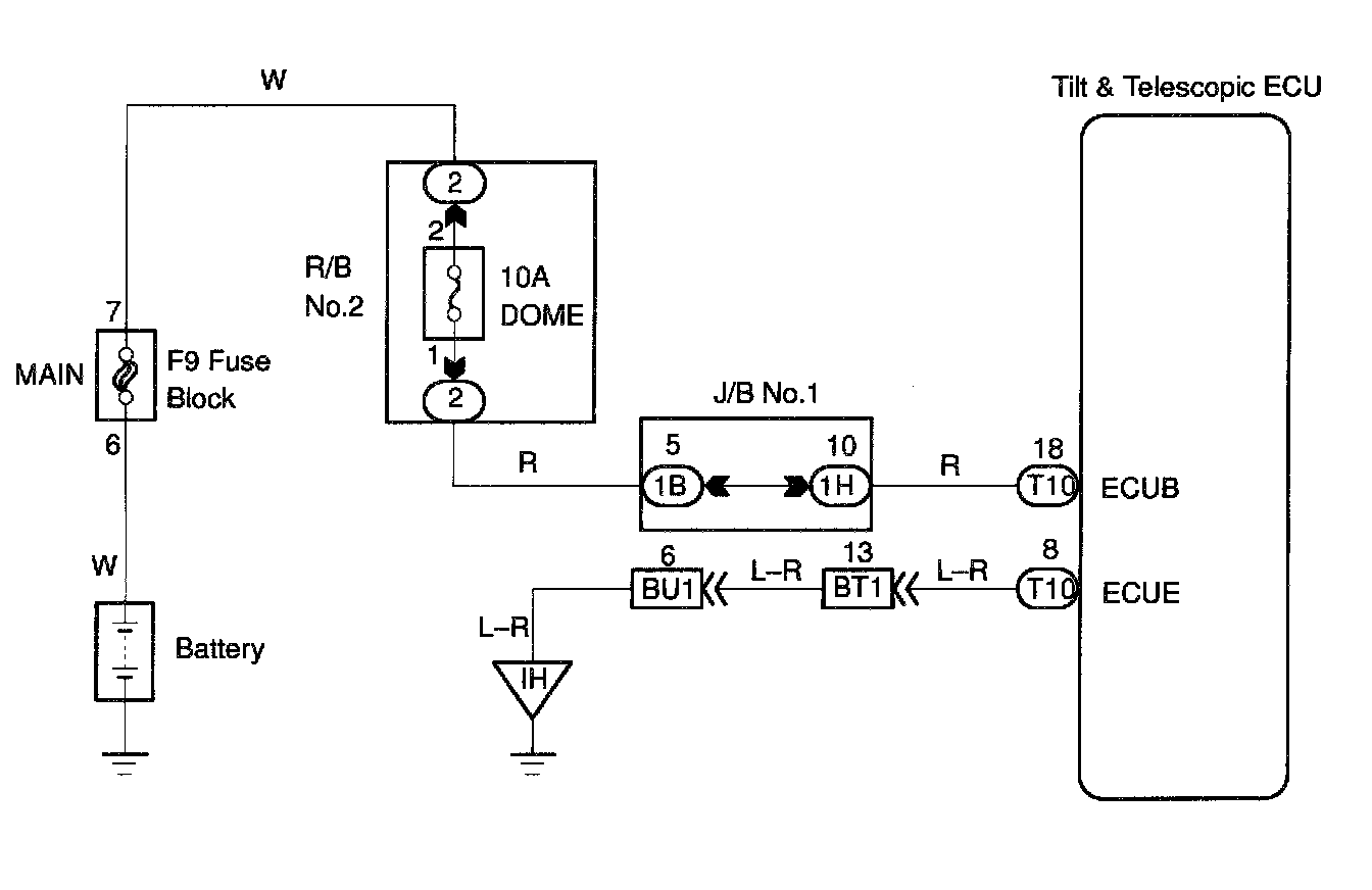
ECU Power Source Circuit
ECU Power Source Circuit
CIRCUIT DESCRIPTION
The ECU power source also supplies power to the ECU and sensor etc. Power is supplied to the ECU even when the ignition switch.
WIRING DIAGRAM
Step 2:
Step 3:
INSPECTION PROCEDURE