Curiosii for ever!: Car repair manuals for everyone.

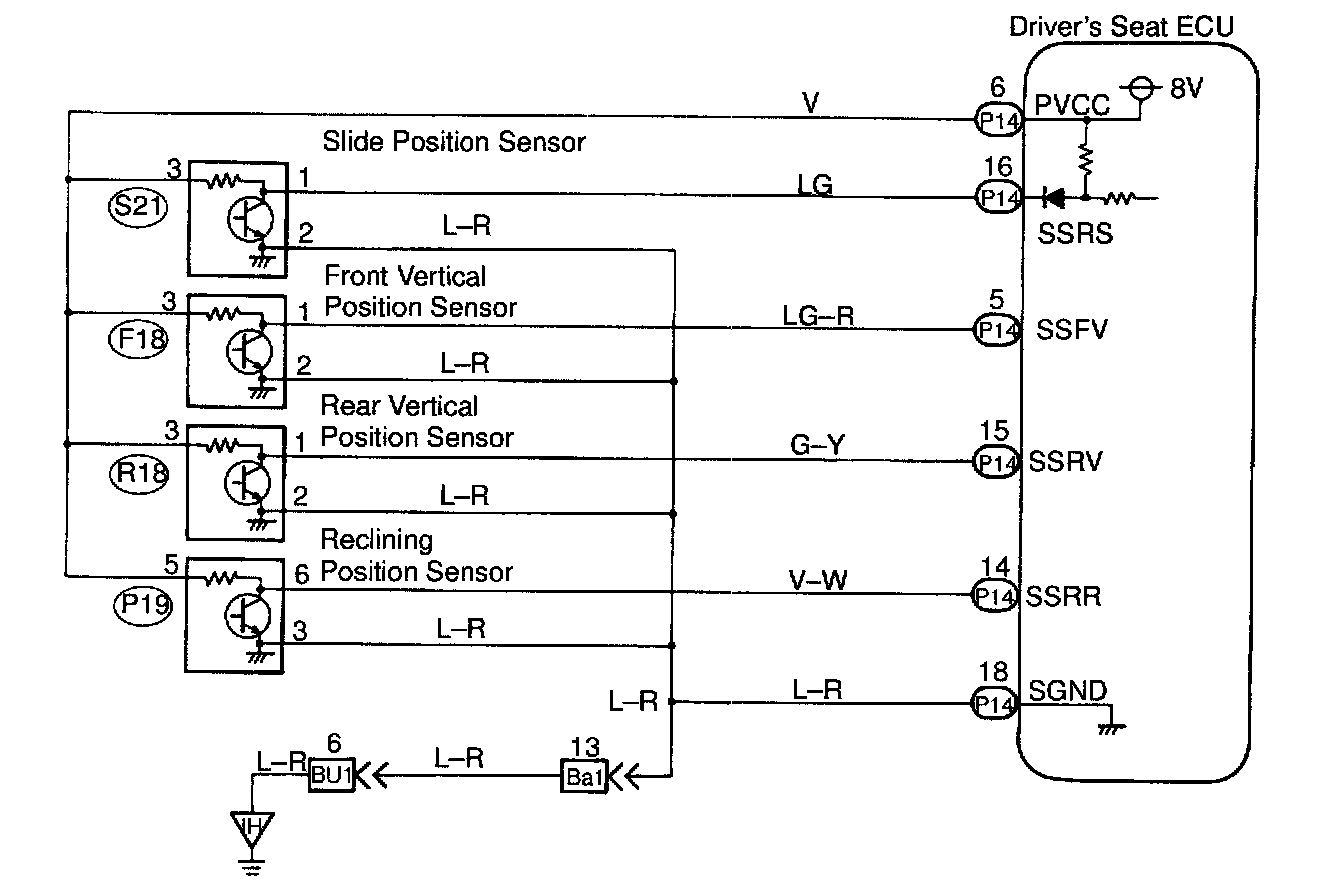
Position Sensor Circuit

CIRCUIT INSPECTION




The position sensor senses movement of the seat and send pulse signals to the ECU. The position sensor sends pulses to the ECU in proportion to the amount of seat movement, as shown in the diagram on the left.

The ECU uses the number of pulses to constantly calculate the position relative to the memory position and returns the seat to the memorized position. If a malfunction occurs in a position sensor and a sensor signal is not input to the ECU even when the motor operates, the ECU prohibits return operation.




WIRING DIAGRAM

Step 1 (Part 1 Of 3):




Step 1 (Part 2 Of 3):




Step 1 (Part 3 Of 3):




Step 2:




Step 3:




INSPECTION PROCEDURE