Curiosii for ever!: Car repair manuals for everyone.

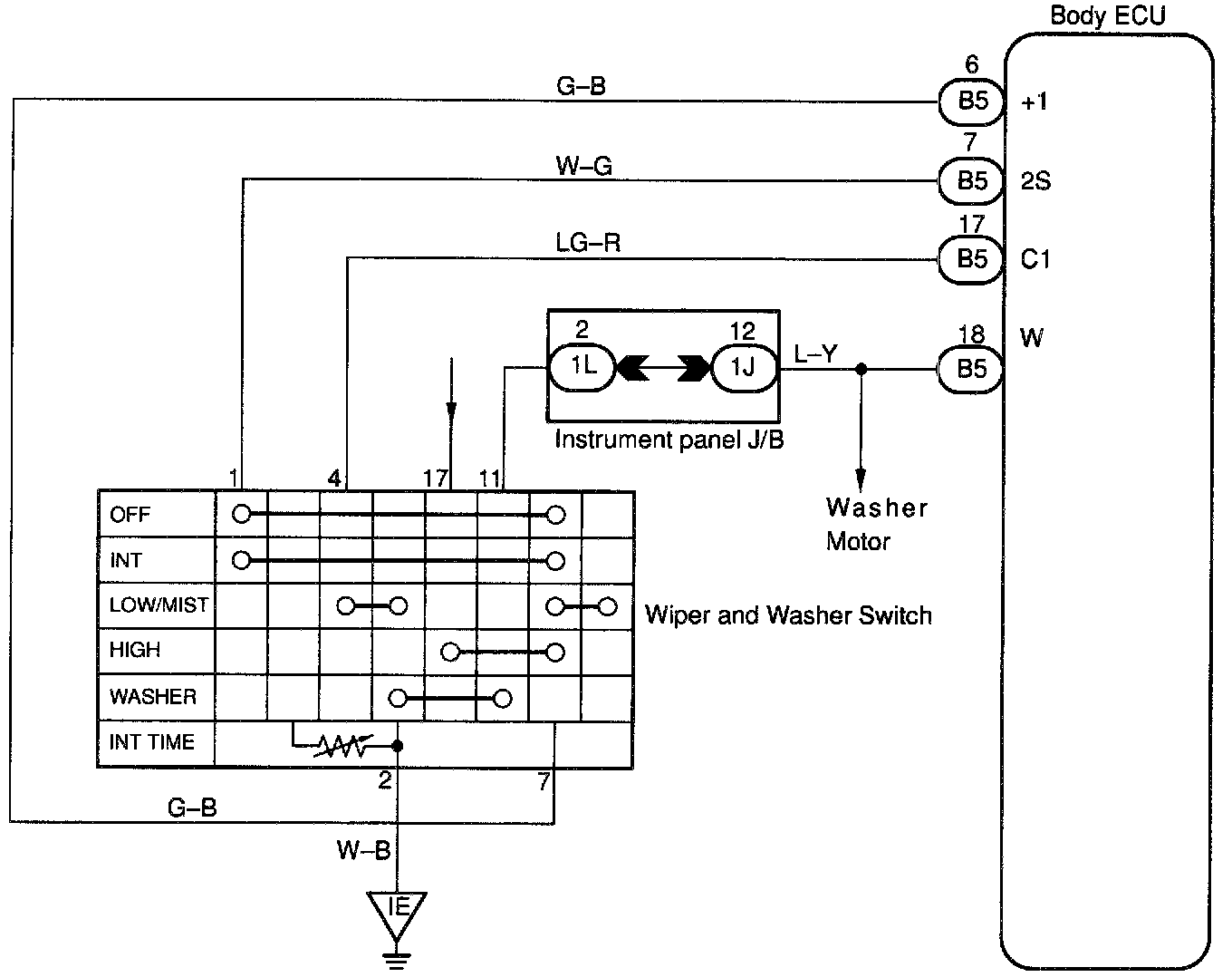
Wiper and Washer Switch Circuit


Wiper and Washer Switch Circuit

CIRCUIT DESCRIPTION
Body ECU judges the switch position with the terminal voltage of the wiper and washer switch and runs the wiper motor.





WIRING DIAGRAM

Step 1:




Step 2:




Step 3:





INSPECTION PROCEDURE

HINT: In case of using the LEXUS hand-held tester, start the inspection from step 1 and in case of not using the LEXUS hand-held tester, start from step 2.