Curiosii for ever!: Car repair manuals for everyone.

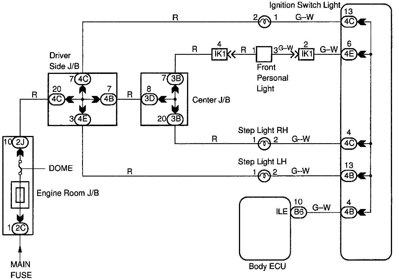
Illumination Circuit


Illumination Circuit

CIRCUIT DESCRIPTION
Receiving the courtesy signal from either of the door ECU, the Body ECU will make the interior light, ignition light, and toot light come on.





WIRING DIAGRAM

Step 1:




Step 2:




Step 3:





INSPECTION PROCEDURE

HINT: In case of using the LEXUS hand-held tester, start the inspection from step 1 and in case of not using the LEXUS hand-held tester, start from step 2.