Curiosii for ever!
: Car repair manuals for everyone.
Home
>>
Lexus
>>
1998
>>
LS 400 V8-4.0L (1UZ-FE)
>>
Repair and Diagnosis
>>
Diagrams
>>
Exploded Views
>>
Engine
>>
Timing Belt
Timing Belt
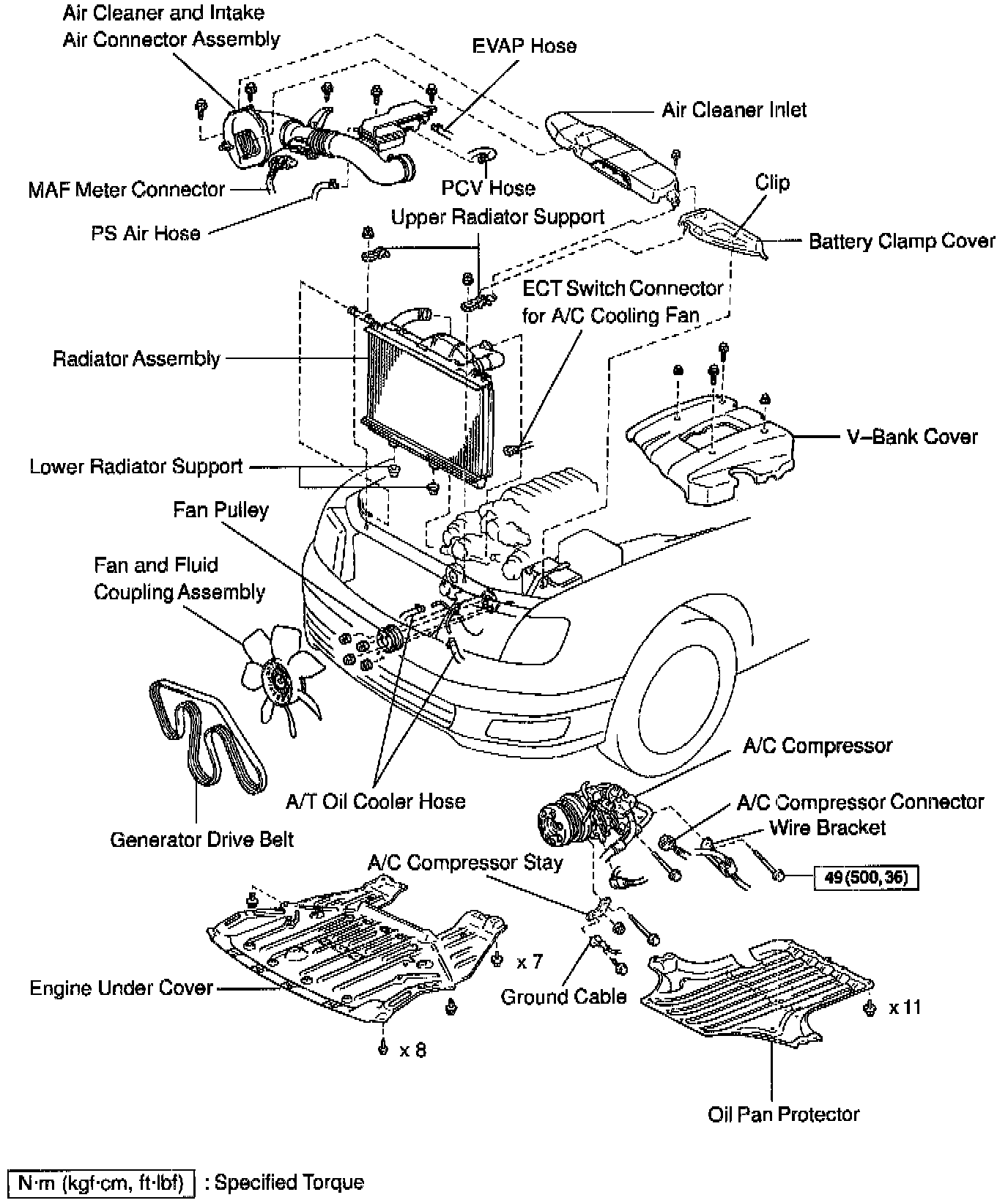
UNDERHOOD VIEW
RIGHT AND LEFT NO.3 TIMING BELT COVERS
TIMING BELT
AND RELATED COMPONENTS
TIMING BELT
, NO.1 AND NO.2 IDLER PULLEY