Curiosii for ever!: Car repair manuals for everyone.

Cylinder Head Assembly





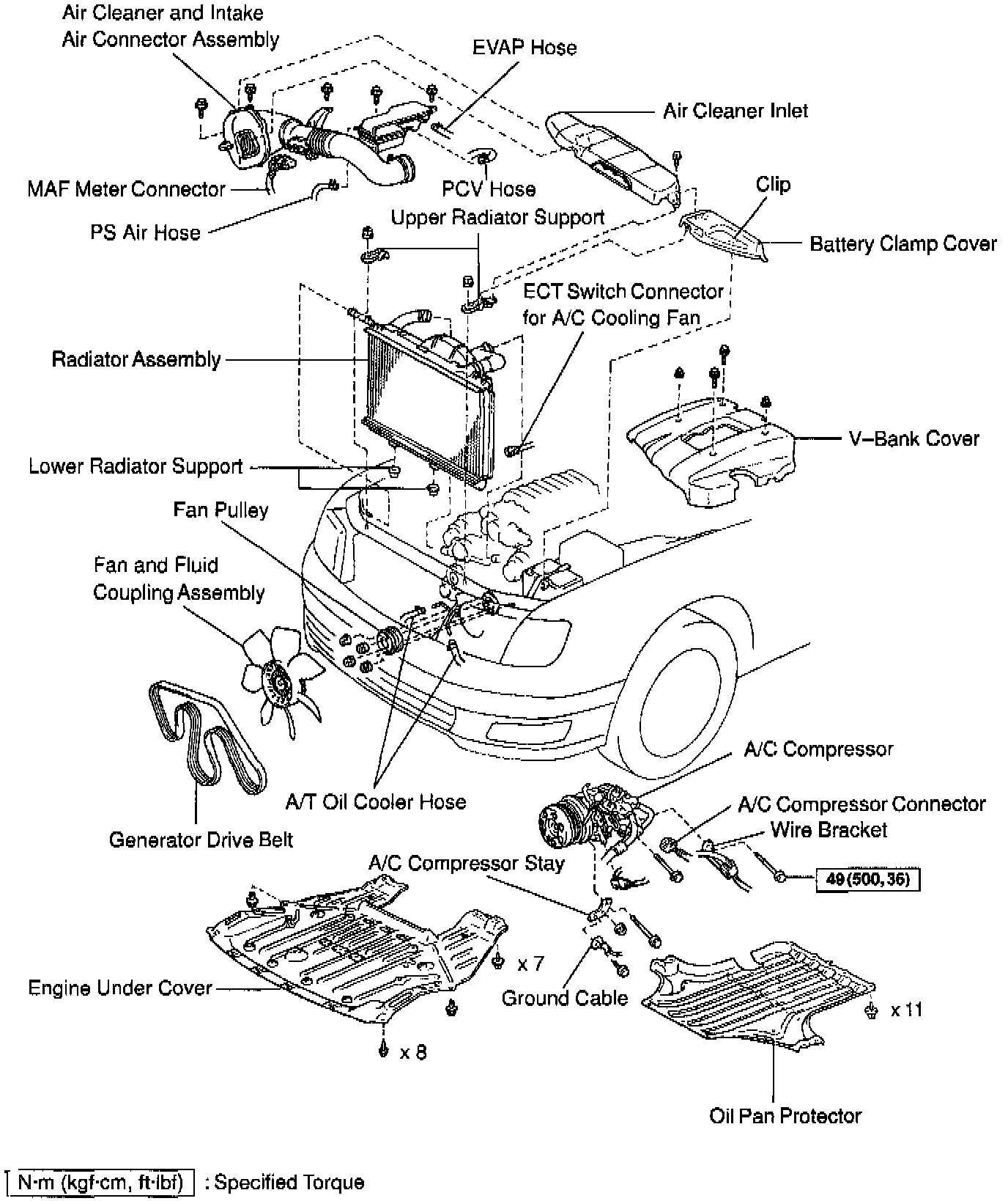
UNDERHOOD VIEW





EXHAUST PIPE, PS PUMP AND HO2S





RIGHT AND LEFT NO.3 TIMING BELT COVERS





TIMING BELT TENSIONER, CAMSHAFT TIMING PULLEYS





INTAKE MANIFOLD





CYLINDER HEAD, AND CAMSHAFT ASSEMBLIES





VALVE, CYLINDER HEAD AND EXHAUST MANIFOLDS