Curiosii for ever!
: Car repair manuals for everyone.
Home
>>
Lexus
>>
1998
>>
LS 400 V8-4.0L (1UZ-FE)
>>
Repair and Diagnosis
>>
Body and Frame
>>
Body Control Systems
>>
Testing and Inspection
>>
Component Tests and General Diagnostics
>>
Driver Door Control System
>>
Power Window Master Switch Circuit
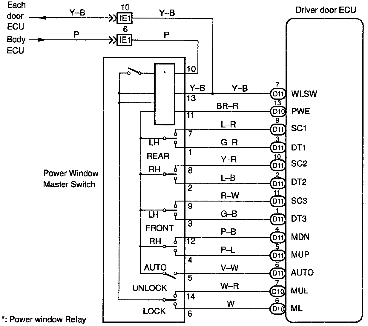
Power Window Master Switch Circuit
Power Window Master Switch Circuit
CIRCUIT DESCRIPTION
Power window master switch circuit can be checked using DTC check.
WIRING DIAGRAM
Step 1:
Step 2:
Step 3:
INSPECTION PROCEDURE