Curiosii for ever!
: Car repair manuals for everyone.
Home
>>
Lexus
>>
1998
>>
LS 400 V8-4.0L (1UZ-FE)
>>
Repair and Diagnosis
>>
Body and Frame
>>
Body Control Systems
>>
Body Control Module
>>
Testing and Inspection
>>
Component Tests and General Diagnostics
>>
PWS Circuit
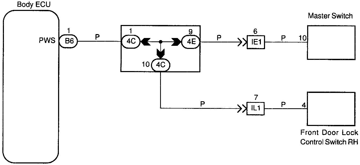
PWS Circuit
PWS Circuit
CIRCUIT DESCRIPTION
This circuit is the power source of the master switch for the driver's door and the door lock switch for the passenger's doors.
WIRING DIAGRAM
Step 1:
INSPECTION PROCEDURE