How to Read Power Source
Power Source (Current Flow Chart):
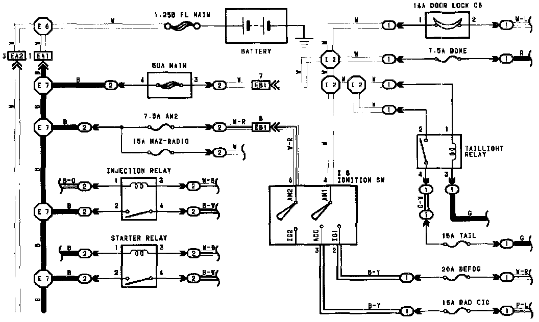
Power Source:
The "Current Flow Chart" images, describes which parts each power source (fuses, fusible links, and circuit breakers) transmits current to. In the Power Source circuit diagram, the conditions when battery power is supplied to each system are explained. Since all System Circuit diagrams start from the power source, the power source system must be fully understood.
(Current Flow Chart)
The chart above shows the route by which current flows from the battery to each electrical source (Fusible Link, Circuit Breaker, Fuse, etc.) and other parts.