Curiosii for ever!
: Car repair manuals for everyone.
Home
>>
Lexus
>>
1998
>>
GS 400 V8-4.0L (1UZ-FE)
>>
Repair and Diagnosis
>>
Diagrams
>>
Exploded Views
>>
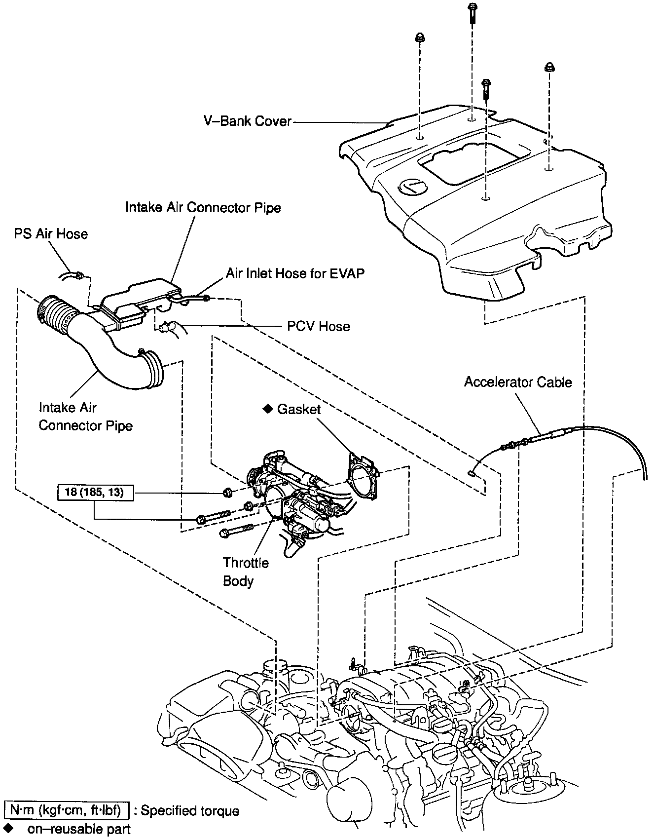
Variable Induction System
Variable Induction System