Curiosii for ever!
: Car repair manuals for everyone.
Home
>>
Lexus
>>
1998
>>
GS 400 V8-4.0L (1UZ-FE)
>>
Repair and Diagnosis
>>
Diagrams
>>
Exploded Views
>>
Engine
>>
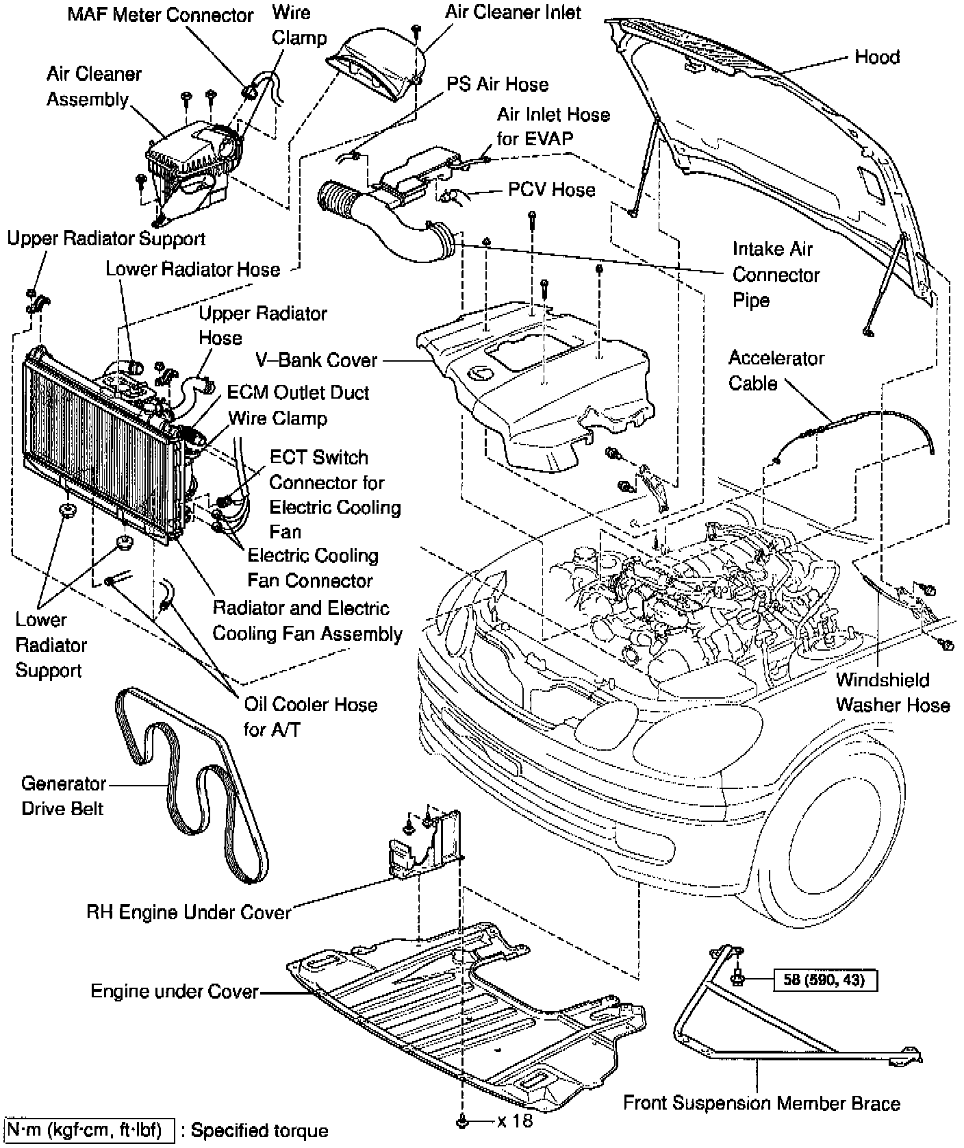
System Diagram
System Diagram
UNDERHOOD VIEW
ECM Cover And Connectors:
ECM COVER, CONNECTORS AND HOOD
ENGINE HOSE AND CONNECTOR LOCATIONS
EXHAUST SYSTEM
, POWER STEERING GEAR AND DRIVE SHAFT ASSEMBLY
ENGINE AND TRANSMISSION ASSEMBLIES