Curiosii for ever!: Car repair manuals for everyone.

Door Key Lock and Unlock Switch Circuit


Door Key Lock and Unlock Switch Circuit

CIRCUIT DESCRIPTION
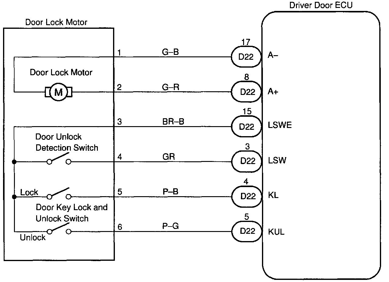
The door key lock and unlock switch is built in the door key cylinder. When the key is turned to the lock side, terminal 3 of the switch is grounded and when the key is turned to the unlock side, terminal 2 of the switch is grounded.
Door key lock and unlock switch can be checked using DTC check.





WIRING DIAGRAM

Step 1:




Step 2:




Step 3:





INSPECTION PROCEDURE