Illumination Circuit
Illumination Circuit
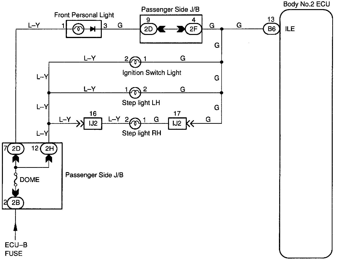
CIRCUIT DESCRIPTION
Receiving the courtesy signal from either of the door ECU, the body No.2 ECU will make the interior light, ignition light, and foot light come on.
WIRING DIAGRAM
Step 1:
Step 2:
Step 3:
INSPECTION PROCEDURE
HINT: In case of using the LEXUS hand-held tester, start the inspection from step 1 and in case of not using the LEXUS hand-held tester, start from step 2.