Curiosii for ever!
: Car repair manuals for everyone.
Home
>>
Lexus
>>
1998
>>
GS 300 L6-3.0L (2JZ-GE)
>>
Repair and Diagnosis
>>
Powertrain Management
>>
Computers and Control Systems
>>
Relays and Modules - Computers and Control Systems
>>
Body Control Module
>>
Testing and Inspection
>>
Component Tests and General Diagnostics
>>
Body No. 1 Control System
>>
PWS Circuit
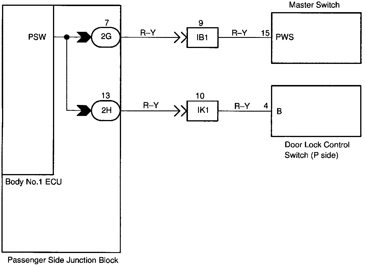
PWS Circuit
PWS Circuit
CIRCUIT DESCRIPTION
This circuit is the power source of the master switch for the driver's door and the door lock switch for the passenger 5 doors.
WIRING DIAGRAM
Step 1:
INSPECTION PROCEDURE