Curiosii for ever!
: Car repair manuals for everyone.
Home
>>
Lexus
>>
1998
>>
GS 300 L6-3.0L (2JZ-GE)
>>
Repair and Diagnosis
>>
Powertrain Management
>>
Computers and Control Systems
>>
Relays and Modules - Computers and Control Systems
>>
Body Control Module
>>
Testing and Inspection
>>
Component Tests and General Diagnostics
>>
Body No. 1 Control System
>>
Horn Circuit
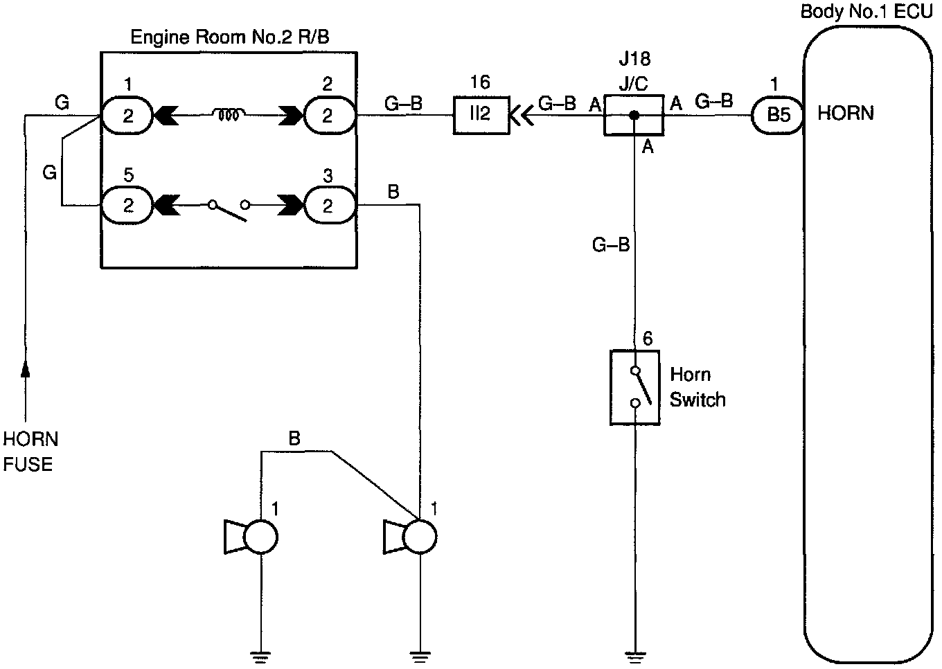
Horn Circuit
Horn Circuit
CIRCUIT DESCRIPTION
The horn is connected to the body No.1 ECU and activated by the body No.1 ECU during warning of the theft deterrent system.
WIRING DIAGRAM
Step 1:
Step 2:
INSPECTION PROCEDURE